PRODUCTS

  • Home
  • Giới thiệu sản phẩm

FAG
UCFC207-23
Flanged housing unit UCFC207-23
Thêm vào yêu cầu báo giá
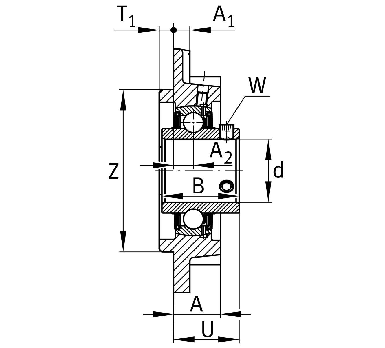
Main Dimensions & Performance Data
d
36.512 mm
Bore diameter
H
135 mm
Height flange
U
36.4 mm
Total height unit
Cr
25,500 N
Basic dynamic load rating, radial
C0r
15,300 N
Basic static load rating, radial
Cur
800 N
Fatigue load limit, radial
≈m
1.668 kg
Weight

Mounting dimensions
J
110 mm
Distance fixing bore
J
110 mm
Pitch circle diameter (holes)
N
14 mm
Fixing bore
N1
77.8 mm
Distance fixing bore
T1
8 mm
Height spigot
Z
90 mm
Diameter spigot
h8
Diameter spigot clearance
n
4
Number of screwing holes

Dimensions
A
26 mm
Height housing
A1
9 mm
Thickness of flange
A2
11 mm
Distance raceway
B
42.9 mm
Width
Q
M6
Connection thread for lubrication

Additional information
1
Number of housings
FC207
Housing
UC207-23
Bearing designation

Temperature range
Tmin
-20 °C
Operating temperature min.
Tmax
120 °C
Operating temperature max.

Your current product variant
MaterialGGGrey cast iron
Thêm vào yêu cầu báo giá