PRODUCTS

  • Home
  • Giới thiệu sản phẩm

INA
XU050077-RR
Slewing ring, Crossed roller bearing, without gear teeth XU050077-RR
Thêm vào yêu cầu báo giá
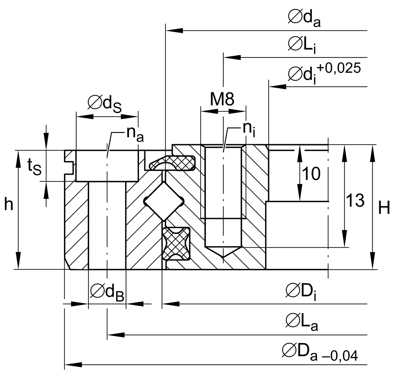
Main Dimensions & Performance Data
di
40 mm
Bore Diameter
0.025 mm
Bore diameter upper tolerance
0 mm
Bore diameter lower tolerance
t
10 mm
Length centering inner ring
Da
112 mm
Outside Diameter
0 mm
Outside diameter upper tolerance
-0.04 mm
Outside diameter lower tolerance
H
22 mm
Height
≈m
1.207 kg
Weight

Dimensions
Di
77.5 mm
Inner diameter outer ring
ha
21 mm
height outer ring
La
97 mm
Pitchcircle diameter fixing holes outer ring
na
6
Number of fixing holes in outer ring
da
74 mm
Outside diameter inner ring
dB
6.6 mm
Fixing bore
dS
11 mm
Counterbore diameter of fixing holes
tS
5.5 mm
Counterbore depth of fixing holes
Li
56 mm
Pitchcircle diameter fixing holes inner ring
ni
6
Number of fixing holes in inner ring
M8
Tread fixing bore
tG
13 mm
Thread depth
VSPmin
0.005 mm
Min. bearing preload
VSPmax
0.008 mm
Maximum bearing preload

Temperature range
Tmin
-30 °C
Operating temperature min.
Tmax
80 °C
Operating temperature max.

Calculation factors
Ca
19,600 N
Basic dynamic load rating, axial
Cr
14,000 N
Basic dynamic load rating, radial (for radial load only)
C0a
46,000 N
Basic static load rating, axial
C0r
22,700 N
Basic static load rating, radial (for radial load only)
Fr zu.
5,800 N
Max. radial load screws

Your current product variant
CoatingRRProtected against corrosion by Corrotect special coating
Thêm vào yêu cầu báo giá