PRODUCTS

  • Home
  • Giới thiệu sản phẩm

FAG
SAF517X0215U
Plummer block housings, split, SAF SAF517X0215U
Thêm vào yêu cầu báo giá
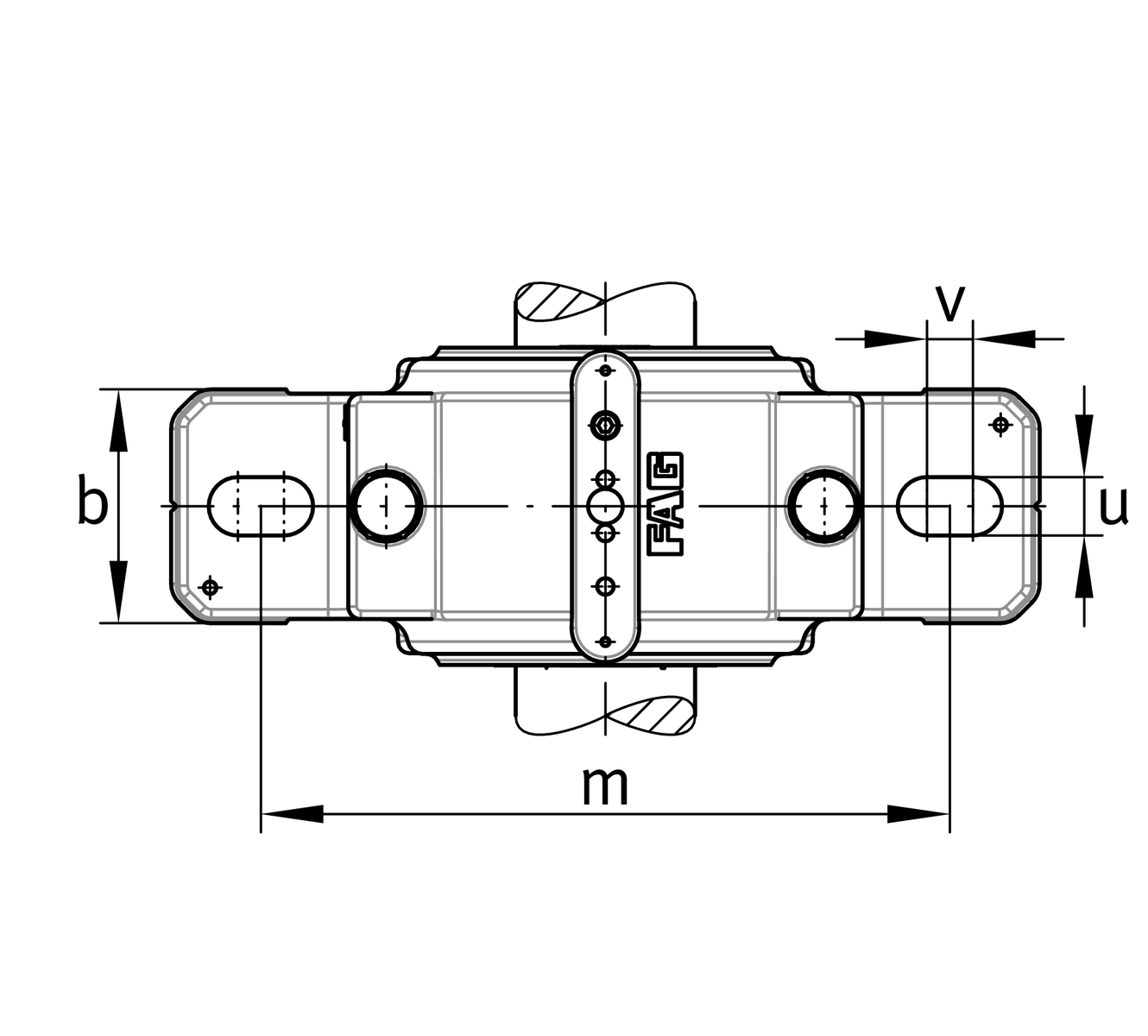
Main Dimensions & Performance Data
d1
74.612 mm
Shaft diameter inch
d1
74.6125 mm
Shaft diameter
a
330.2 mm
Length foot
h1
185.737 mm
Total height
g
122.237 mm
Width housing body
≈m
13.6 kg
Weight

Dimensions
b
88.9 mm
Width foot
c
31.75 mm
Height foot
D
150 mm
Outside diameter bearing
e
5.08 mm
Offset Bearing centre
h
95.25 mm
Distance shaft axis
k
45.8 mm
Width bearing seat
m
265.113 mm
Distance mounting holes
s
19.05 mm
screw size
v
22.225 mm
Width oblong hole
v
14.224 mm
Length oblong hole
Thêm vào yêu cầu báo giá