PRODUCTS

  • Home
  • Giới thiệu sản phẩm

INA
XSU080218
Slewing ring, Crossed roller bearing, without gear teeth XSU080218
Thêm vào yêu cầu báo giá
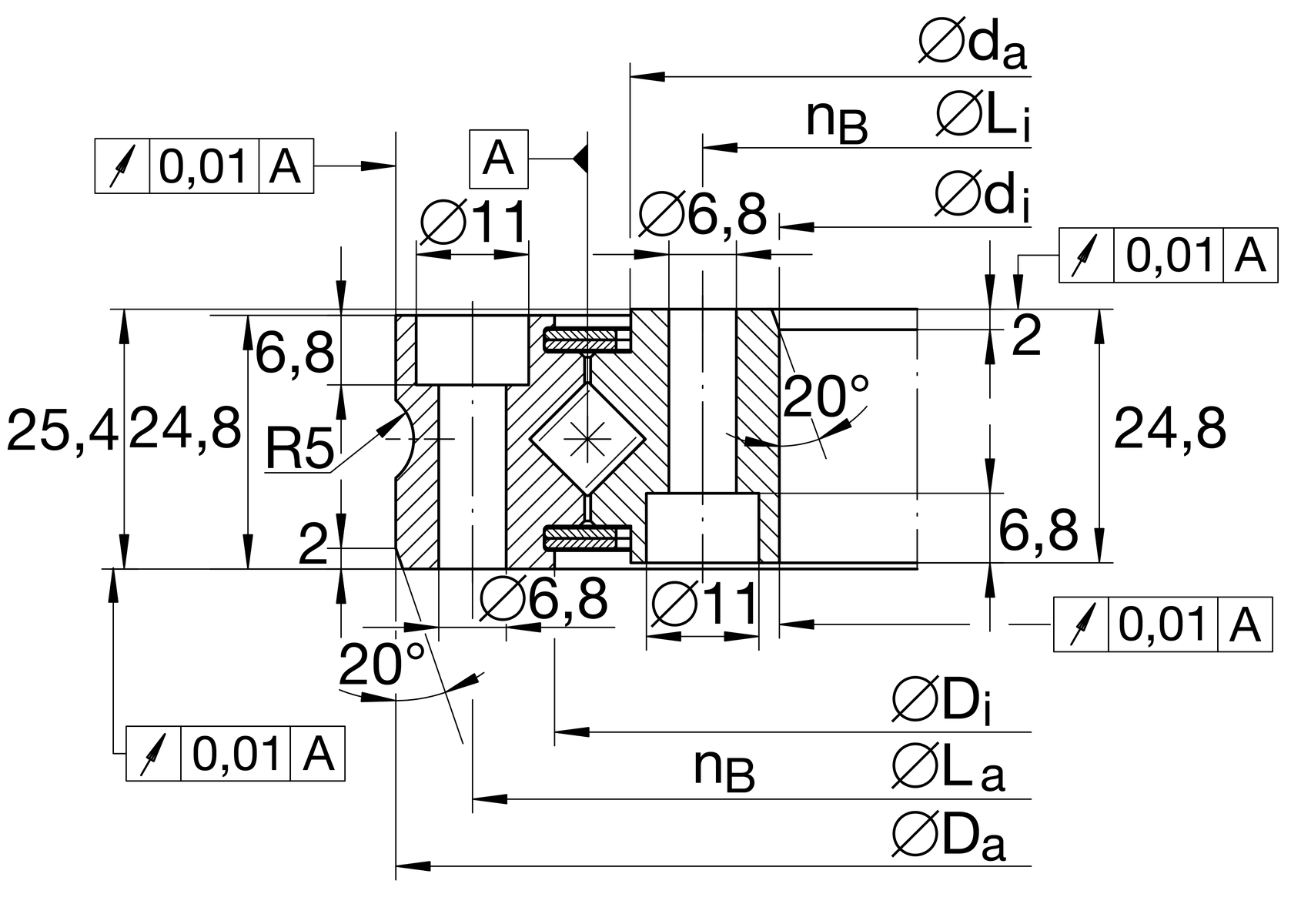
Main Dimensions & Performance Data
di
180 mm
Bore Diameter
0.025 mm
Bore diameter upper tolerance
0 mm
Bore diameter lower tolerance
Da
255 mm
Outside Diameter
0 mm
Outside diameter upper tolerance
-0.032 mm
Outside diameter lower tolerance
H
25.4 mm
Height
≈m
4.2 kg
Weight

Dimensions
Di
224 mm
Inner diameter outer ring
ha
24.8 mm
height outer ring
La
240 mm
Pitchcircle diameter fixing holes outer ring
na
20
Number of fixing holes in outer ring
da
209 mm
Outside diameter inner ring
hi
24.8 mm
height of inner ring
dB
6.8 mm
Fixing bore
dS
11 mm
Counterbore diameter of fixing holes
tS
6.8 mm
Counterbore depth of fixing holes
Li
195 mm
Pitchcircle diameter fixing holes inner ring
ni
20
Number of fixing holes in inner ring
rgroove
5 mm
Groove radius
0.01 mm
Running accuracy A (related to the raceway)

Temperature range
Tmin
-30 °C
Operating temperature min.
Tmax
80 °C
Operating temperature max.

Calculation factors
Ca
75,000 N
Basic dynamic load rating, axial
Cr
54,000 N
Basic dynamic load rating, radial (for radial load only)
C0a
310,000 N
Basic static load rating, axial
C0r
151,000 N
Basic static load rating, radial (for radial load only)
nG
175 1/min
Limiting speed
Fr zu.
13,600 N
Max. radial load screws
Thêm vào yêu cầu báo giá