PRODUCTS

  • Home
  • Giới thiệu sản phẩm

INA
81240-M
Axial cylindrical roller bearing 81240-M
Thêm vào yêu cầu báo giá
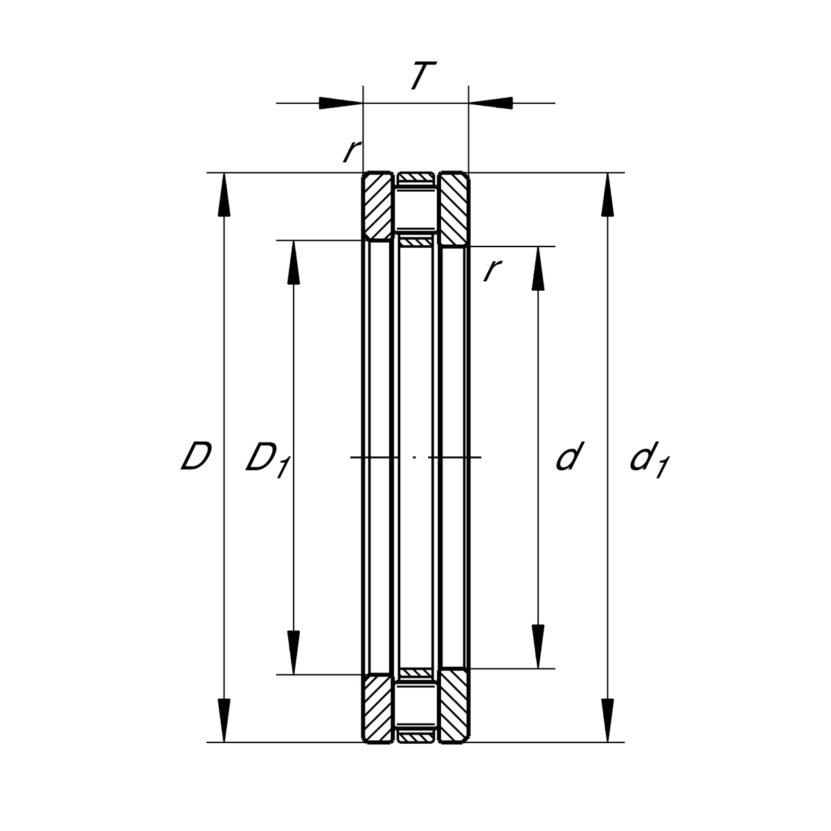
Main Dimensions & Performance Data
d
200 mm
Bore diameter
T
62 mm
Height
Ca
900,000 N
Basic dynamic load rating, axial
C0a
3,150,000 N
Basic static load rating, axial
Cua
300,000 N
Fatigue load limit, axial
nG
1,200 1/min
Limiting speed
nϑr
450 1/min
Reference speed
D
280 mm
Outside diameter
≈m
12.614 kg
Weight

Mounting dimensions
da min
275 mm
Minimum diameter shaft shoulder
Da max
210 mm
Maximum diameter of housing shoulder
ra max
2 mm
Maximum recess radius

Dimensions
D1
204 mm
Bore diameter housing washer
d1
277 mm
Rip diameter shaft washer
rmin
2 mm
Minimum chamfer dimension

Temperature range
Tmin
-30 °C
Operating temperature min.
Tmax
120 °C
Operating temperature max.

Additional information
K81240-M
Axial roller and cage assembly
GS81240
Housing Washer
WS81240
Shaft washer

Your current product variant
CageMBrass Cage
Thêm vào yêu cầu báo giá