PRODUCTS

  • Home
  • Giới thiệu sản phẩm

INA
81140-M
Axial cylindrical roller bearing 81140-M
Thêm vào yêu cầu báo giá
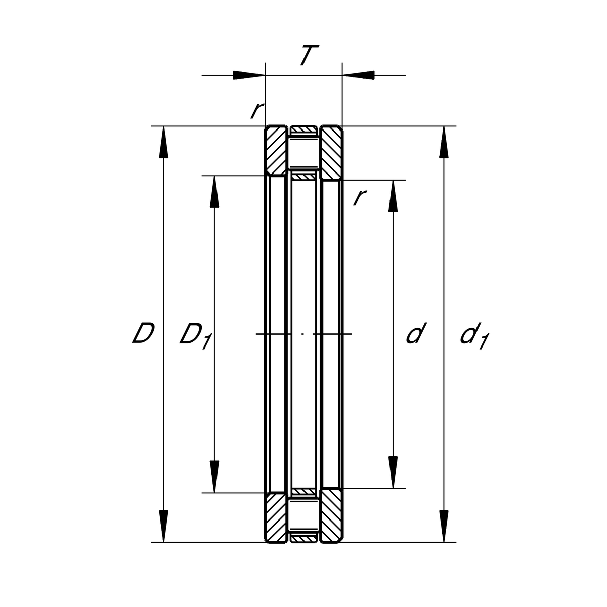
Main Dimensions & Performance Data
d
200 mm
Bore diameter
T
37 mm
Height
Ca
390,000 N
Basic dynamic load rating, axial
C0a
1,550,000 N
Basic static load rating, axial
Cua
136,000 N
Fatigue load limit, axial
nG
1,280 1/min
Limiting speed
nϑr
550 1/min
Reference speed
D
250 mm
Outside diameter
≈m
4.31 kg
Weight

Mounting dimensions
da min
243 mm
Minimum diameter shaft shoulder
Da max
206 mm
Maximum diameter of housing shoulder
ra max
1.1 mm
Maximum recess radius

Dimensions
D1
203 mm
Bore diameter housing washer
d1
247 mm
Rip diameter shaft washer
rmin
1.1 mm
Minimum chamfer dimension

Temperature range
Tmin
-30 °C
Operating temperature min.
Tmax
120 °C
Operating temperature max.

Additional information
K81140-M
Axial roller and cage assembly
GS81140
Housing Washer
WS81140
Shaft washer

Your current product variant
CageMBrass Cage
Thêm vào yêu cầu báo giá