PRODUCTS

  • Home
  • Giới thiệu sản phẩm

INA
CSCA070
Deep groove ball bearing CSCA070
Thêm vào yêu cầu báo giá
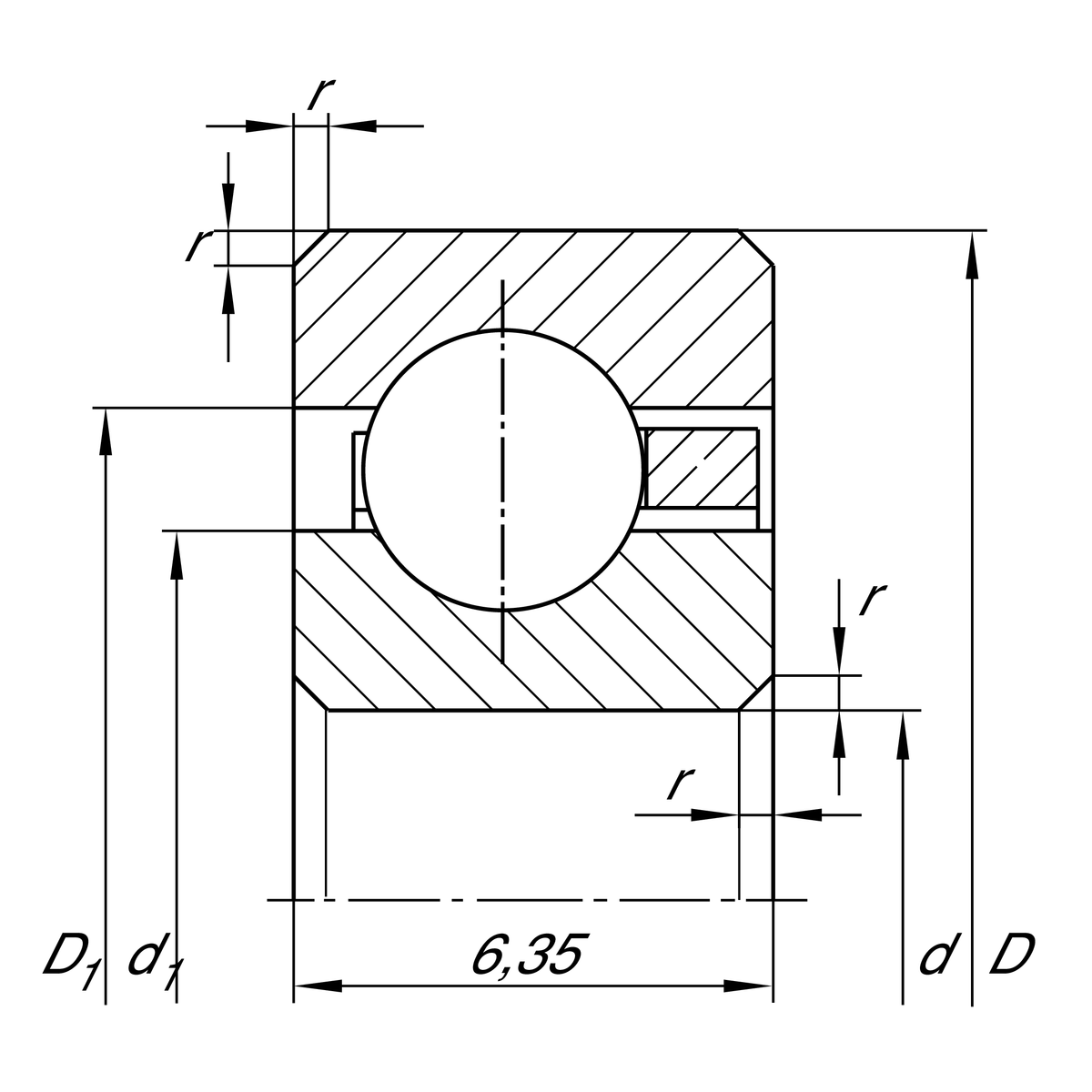
Main Dimensions & Performance Data
d
177.8 mm
Bore diameter
D
190.5 mm
Outside diameter
B
6.35 mm
Width
Cr
5,100 N
Basic dynamic load rating, radial
C0r
9,000 N
Basic static load rating, radial
nG
3,100 1/min
Limiting speed
≈m
140 g
Weight

Dimensions
rmin
0.6 mm
Minimum chamfer dimension
d1
182.5 mm
Shoulder diameter inner ring
D1
185.8 mm
Shoulder diameter outer ring

Temperature range
Tmin
-30 °C
Operating temperature min.
Tmax
120 °C
Operating temperature max.

Your current product variant
Logistical codeHLE-
SealingWithoutNot sealed
CageYHbrass sheet metal
Tolerance classPL1Class PL1, Normal
Radial internal clearancePL1Class PL1, Normal
LubricantWithoutBearing not greased
Thêm vào yêu cầu báo giá