PRODUCTS

  • Home
  • Giới thiệu sản phẩm

FAG
16040-MA-C3
Deep groove ball bearing 16040-MA-C3
Thêm vào yêu cầu báo giá
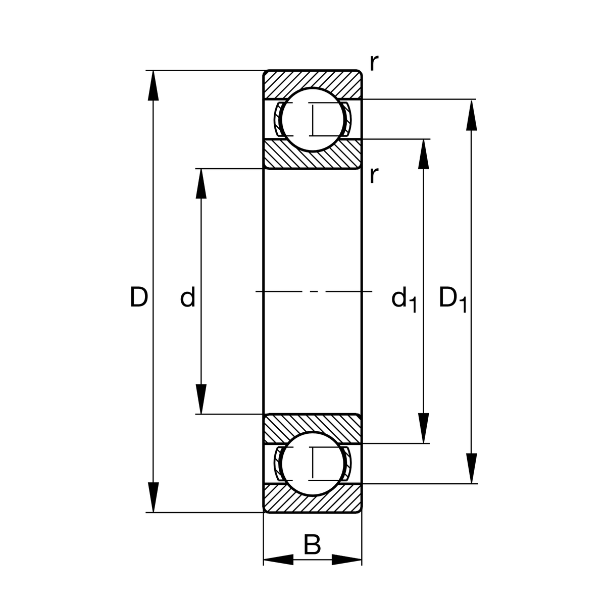
Main Dimensions & Performance Data
d
200 mm
Bore diameter
D
310 mm
Outside diameter
B
34 mm
Width
Cr
186,000 N
Basic dynamic load rating, radial
C0r
202,000 N
Basic static load rating, radial
Cur
7,500 N
Fatigue load limit, radial
nG
3,700 1/min
Limiting speed
nϑr
2,470 1/min
Reference speed
≈m
10.5 kg
Weight

Mounting dimensions
da min
208.8 mm
Minimum diameter shaft shoulder
Da max
301.2 mm
Maximum diameter of housing shoulder
ra max
2 mm
Maximum fillet radius

Dimensions
rmin
2 mm
Minimum chamfer dimension
D1
277.3 mm
Shoulder diameter outer ring
d1
244.35 mm
Shoulder diameter inner ring

Temperature range
Tmin
-30 °C
Operating temperature min.
Tmax
200 °C
Operating temperature max.

Calculation factors
f0
16.4
Calculation factor

Your current product variant
SealingWithoutNot sealed
CageMAsolid brass cage, outer ring guided
Tolerance classPNNormal (PN)
Dimensional / heat stabilization S1Rings dimensional stabilized up to 200°
LubricantWithoutBearing not greased
Bore typeZCylindrical
Radial internal clearanceC3 (Group 3)Internal clearance larger than CN
Thêm vào yêu cầu báo giá