PRODUCTS

  • Home
  • Giới thiệu sản phẩm

INA
SL185038-TB-C3
Cylindrical roller bearing SL185038-TB-C3
Thêm vào yêu cầu báo giá
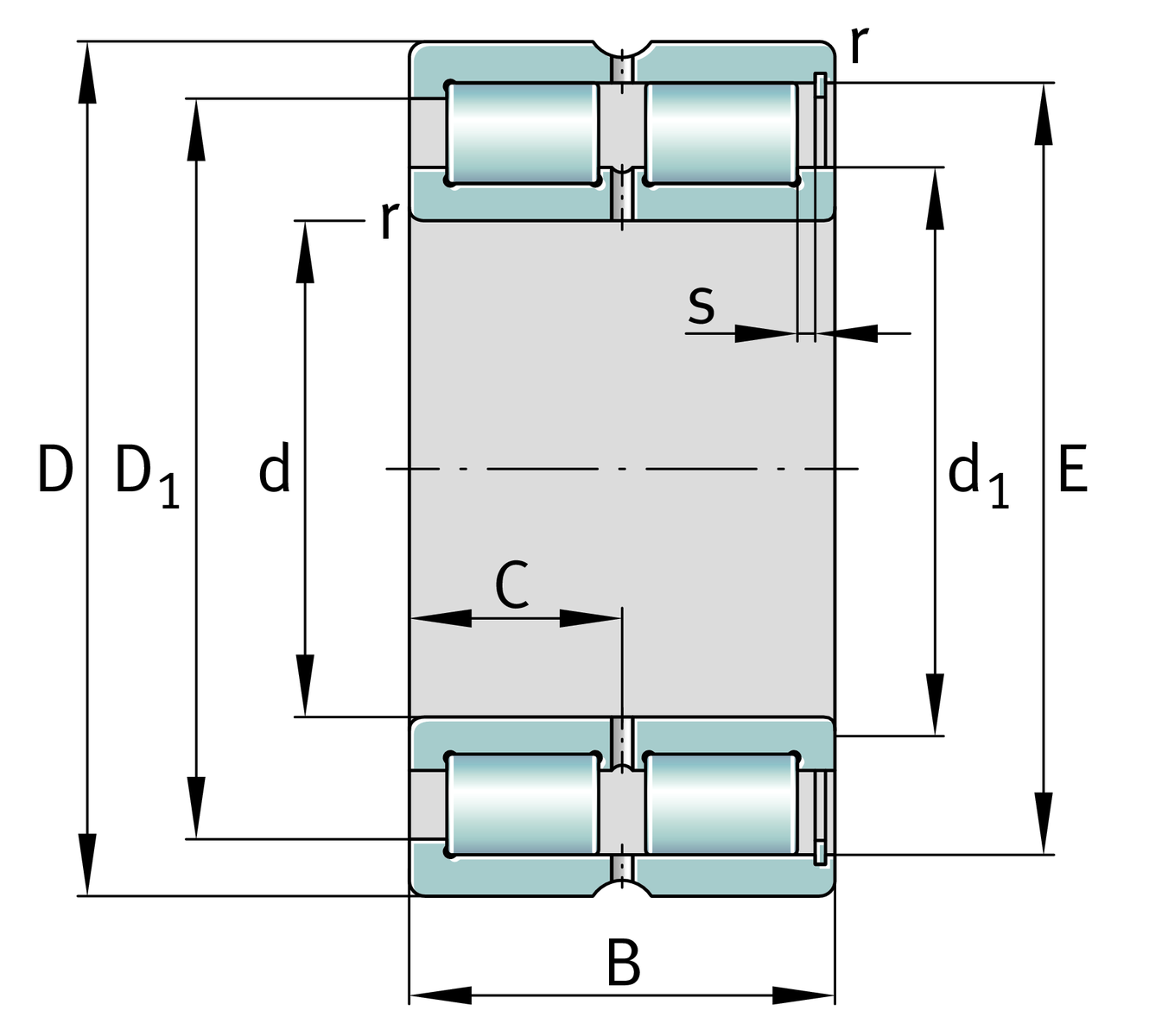
Main Dimensions & Performance Data
d
190 mm
Bore diameter
D
290 mm
Outside diameter
B
136 mm
Width
Cr
1,430,000 N
Basic dynamic load rating, radial
C0r
2,600,000 N
Basic static load rating, radial
Cur
325,000 N
Fatigue load limit, radial
nG
1,320 1/min
Limiting speed
nϑr
770 1/min
Reference speed
≈m
30.22 kg
Weight

Mounting dimensions
dc min
221.5 mm
Minimum shaft shoulder
da min
221.8 mm
Minimum diameter shaft shoulder
Da max
259 mm
Maximum diameter of housing shoulder
ra max
2.1 mm
Maximum recess radius
De min
221.8 mm
Minimum diameter of housing shoulder

Dimensions
rmin
2.1 mm
Minimum chamfer dimension
r1 min
2.1 mm
Minimum chamfer dimension
s
8.2 mm
Axial displacement
C
68 mm
Distance to lubrication hole
d1
221.8 mm
Maximum rib diameter inner ring
D1 min
221.8 mm
Minimum rib diameter outer ring
E
269.8 mm
Raceway diameter outer ring

Temperature range
Tmin
-30 °C
Operating temperature min.
Tmax
120 °C
Operating temperature max.

Your current product variant
DesignTBBearings with increased axial load capacity
Radial internal clearanceC3 (Group 3)Internal clearance larger than CN
Tolerance classPNNormal (PN)
Number of rolling element rows2Double-row design
Thêm vào yêu cầu báo giá