PRODUCTS

  • Home
  • Giới thiệu sản phẩm

INA
CSCC065
Deep groove ball bearing CSCC065
Thêm vào yêu cầu báo giá
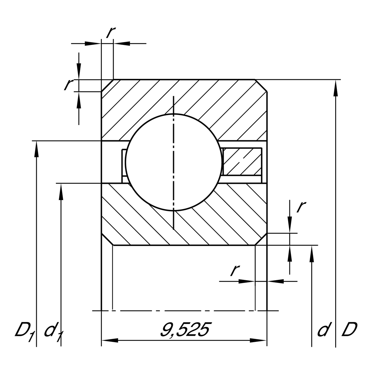
Main Dimensions & Performance Data
d
165.1 mm
Bore diameter
D
184.15 mm
Outside diameter
B
9.525 mm
Width
Cr
9,300 N
Basic dynamic load rating, radial
C0r
13,200 N
Basic static load rating, radial
nG
3,250 1/min
Limiting speed
≈m
310 g
Weight

Dimensions
rmin
1 mm
Minimum chamfer dimension
d1
172.1 mm
Shoulder diameter inner ring
D1
177.1 mm
Shoulder diameter outer ring

Temperature range
Tmin
-30 °C
Operating temperature min.
Tmax
120 °C
Operating temperature max.

Your current product variant
Logistical codeHLE-
SealingWithoutNot sealed
CageYHbrass sheet metal
Tolerance classPL1Class PL1, Normal
Radial internal clearancePL1Class PL1, Normal
LubricantWithoutBearing not greased
Thêm vào yêu cầu báo giá