PRODUCTS

  • Home
  • Giới thiệu sản phẩm

INA
CRB35/110-XL
Radial insert ball bearing CRB35/110-XL
Thêm vào yêu cầu báo giá
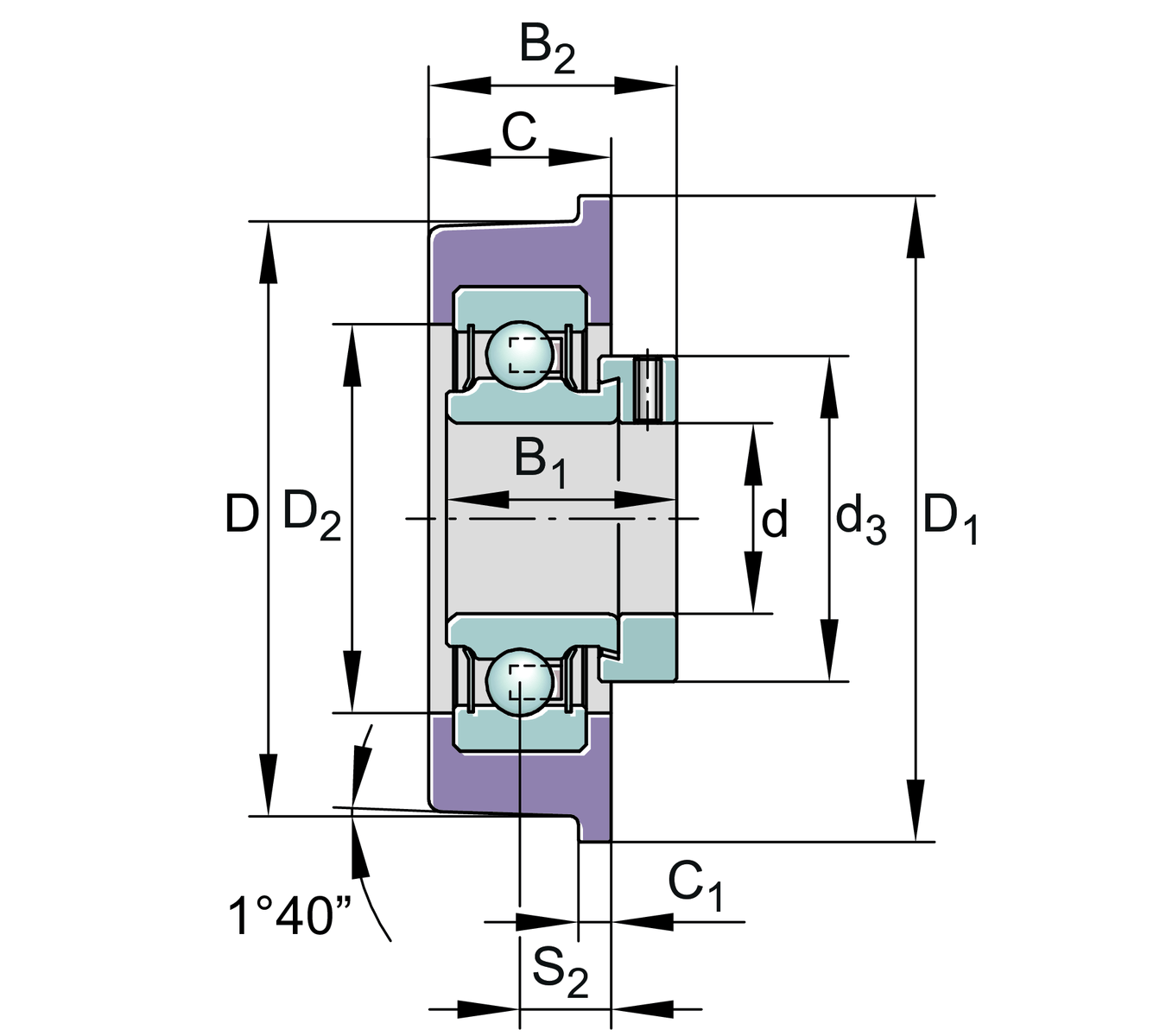
Main Dimensions & Performance Data
d
35 mm
Bore diameter
D
112.3 mm
Outside diameter
C
30 mm
Width, outer ring
B2
44.4 mm
Width total
B1
39 mm
Locking collar total width
Cr
25,500 N
Basic dynamic load rating, radial
C0r
15,300 N
Basic static load rating, radial
Cur
650 N
Fatigue load limit, radial
1,500 N
Load carrying capacity (rubber interliner)
≈m
0.8 kg
Weight

Dimensions
D1
120 mm
Flange diameter
C1
5 mm
Thickness of flange
D2
64 mm
Flange diameter rubber interliner
d3
55 mm
Outside diameter locking collar/locknut
S2
15 mm
Distance raceway to rubber interliner flange side

Calculation factors
f0
13.8
Calculation factor

Additional information
RAE35-XL-NPP
Bearing designation
Shore A
80 °
Hardness rubber interliner
Thêm vào yêu cầu báo giá