PRODUCTS

  • Home
  • Giới thiệu sản phẩm

FAG
20308-TVP-C3
Barrel roller bearing 20308-TVP-C3
Thêm vào yêu cầu báo giá
Main Dimensions & Performance Data
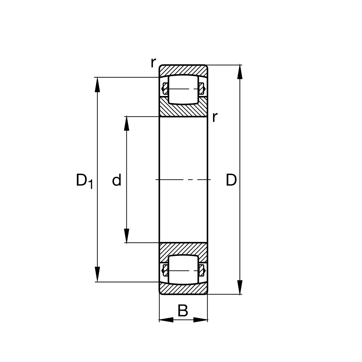
d
40 mm
Bore diameter
D
90 mm
Outside diameter
B
23 mm
Width
Cr
76,000 N
Basic dynamic load rating, radial
C0r
81,000 N
Basic static load rating, radial
Cur
7,300 N
Fatigue load limit, radial
nG
7,000 1/min
Limiting speed
≈m
0.656 kg
Weight

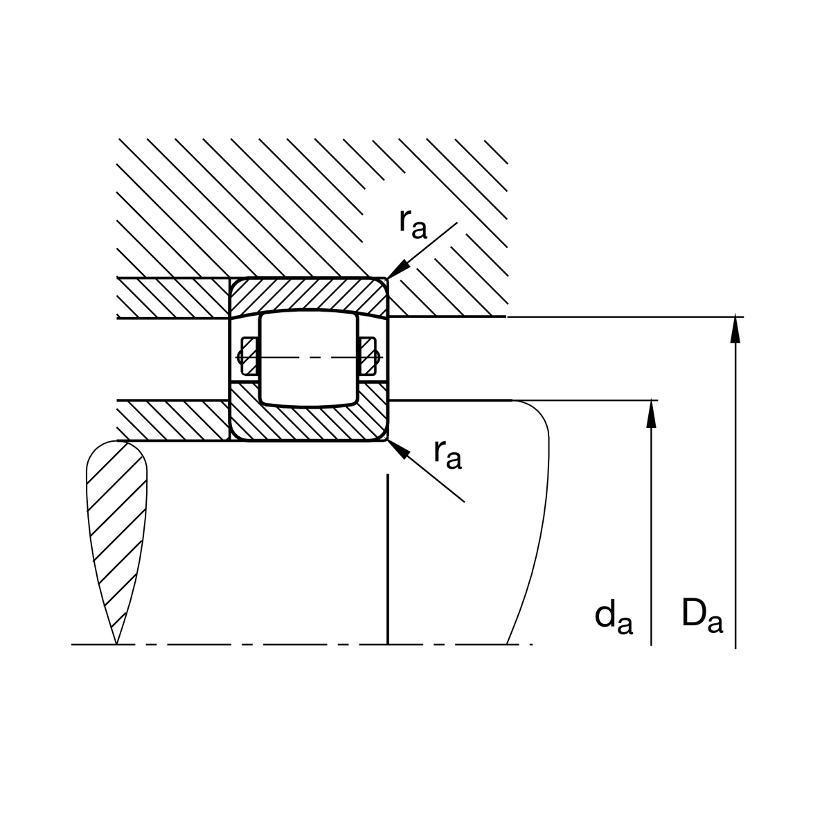
Mounting dimensions
da min
49 mm
Minimum diameter shaft shoulder
Da max
81 mm
Maximum diameter of housing shoulder
ra max
1.5 mm
Maximum recess radius

Dimensions
rmin
1.5 mm
Minimum chamfer dimension
D1
76.8 mm
Bore diameter outer ring

Temperature range
Tmin
-30 °C
Operating temperature min.
Tmax
120 °C
Operating temperature max.

Your current product variant
Bore typeZCylindrical
CageTVPPlastic cage
Radial internal clearanceC3 (Group 3)Internal clearance larger than CN
Thêm vào yêu cầu báo giá