PRODUCTS

  • Home
  • Giới thiệu sản phẩm

INA
CSEB060
Angular contact ball bearing CSEB060
Thêm vào yêu cầu báo giá
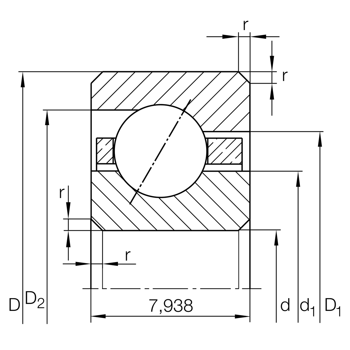
Main Dimensions & Performance Data
d
152.4 mm
Bore diameter
D
168.275 mm
Outside diameter
B
7.938 mm
Width
Cr
7,000 N
Basic dynamic load rating, radial
C0r
12,100 N
Basic static load rating, radial
nG
3,550 1/min
Limiting speed
≈m
200 g
Weight

Dimensions
rmin
1 mm
Minimum chamfer dimension
d1
158.3 mm
Shoulder diameter inner ring
D1
162.4 mm
Shoulder diameter on outer ring wide side face
D2
164 mm
Shoulder diameter on outer ring small side face
α
30 °
Contact angle

Temperature range
Tmin
-30 °C
Operating temperature min.
Tmax
120 °C
Operating temperature max.

Your current product variant
Logistical codeHLE-
SealingWithoutNot sealed
CageYPbrass sheet metal
Tolerance classPL1Class PL1, Normal
LubricantWithoutBearing not greased
Thêm vào yêu cầu báo giá