PRODUCTS

  • Home
  • Giới thiệu sản phẩm

INA
DRS1762
Seal carrier Assy DRS1762
Thêm vào yêu cầu báo giá
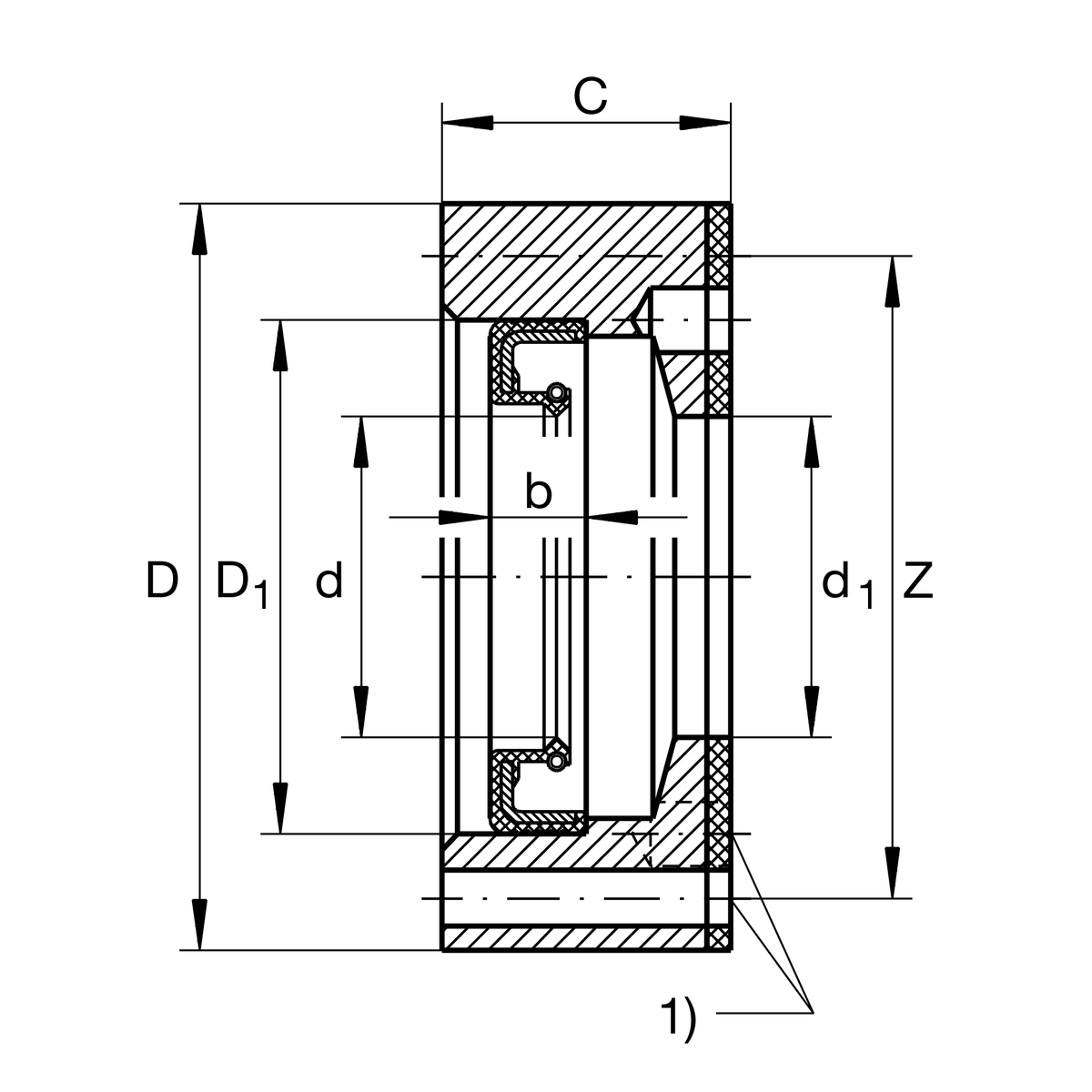
Main Dimensions & Performance Data
d1
38 mm
Inner diameter centering
D
62 mm
Outside diameter
C
15.5 mm
Width wave carrier
≈m
0.2 kg
Weight

Dimensions
Z
54.4 mm
Pitch circle diameter (holes)
d
38 mm
Inner diameter centering seal lip
D1
47 mm
Outside diameter seal
b
7 mm
Width seal
M3X25
Screw size
1)
4
Number of screws

Additional information
ZARF1762(-L)-TV
Bearing designation
Thêm vào yêu cầu báo giá