PRODUCTS

  • Home
  • Giới thiệu sản phẩm

Schaeffler
EDV620X310
Sealing ring EDV620X310
Thêm vào yêu cầu báo giá
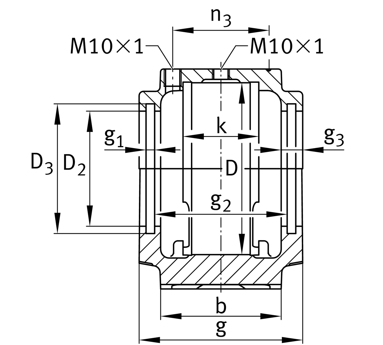
Main Dimensions & Performance Data
d
92.075 mm
Shaft diameter
d2
92.075 mm
Sealing shaft diameter
D3
167.5 mm
Outside diamater
D2
157.5 mm
Diameter Sealingseat
Thêm vào yêu cầu báo giá