PRODUCTS

  • Home
  • Giới thiệu sản phẩm

Schaeffler
EDV610X110
Sealing ring EDV610X110
Thêm vào yêu cầu báo giá
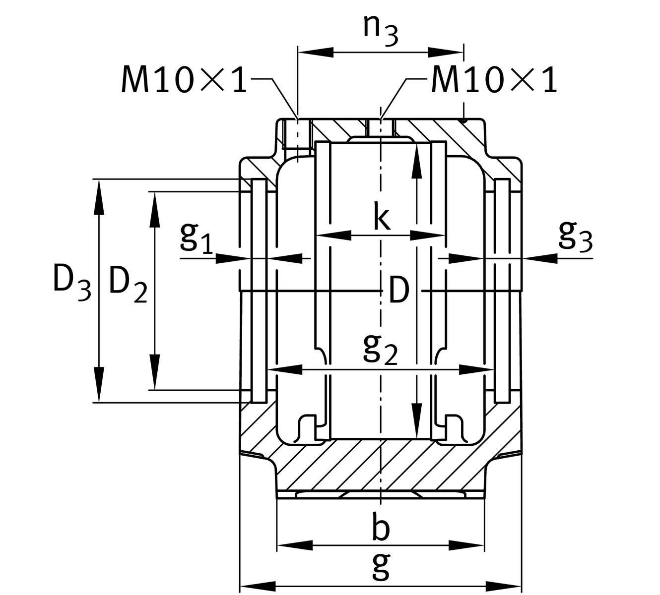
Main Dimensions & Performance Data
d
41.275 mm
Shaft diameter
d2
41.275 mm
Sealing shaft diameter
D3
80.5 mm
Outside diamater
D2
72 mm
Diameter Sealingseat
Thêm vào yêu cầu báo giá