PRODUCTS

  • Home
  • Giới thiệu sản phẩm

FAG
20307-TVP
Barrel roller bearing 20307-TVP
Thêm vào yêu cầu báo giá
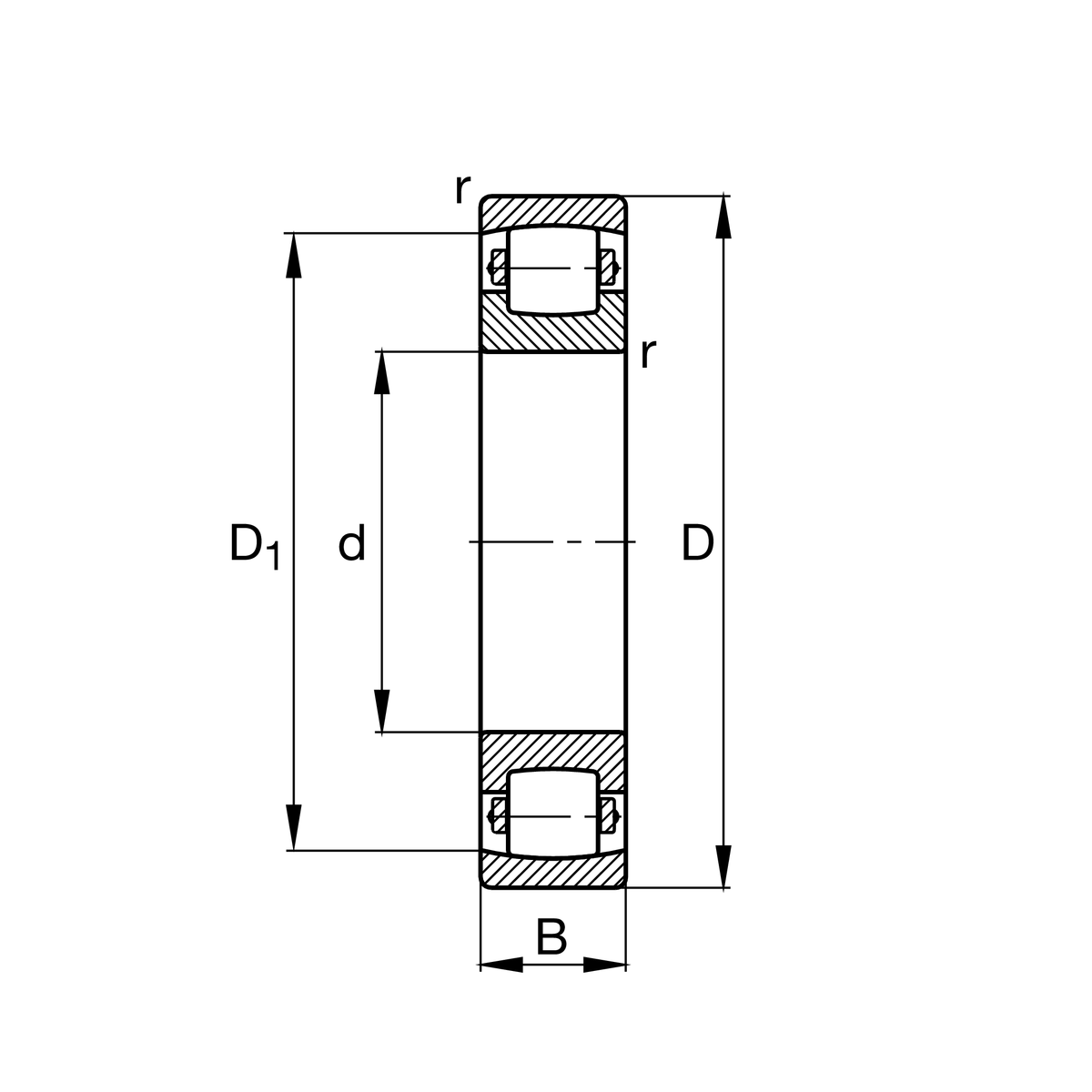
Main Dimensions & Performance Data
d
35 mm
Bore diameter
D
80 mm
Outside diameter
B
21 mm
Width
Cr
58,000 N
Basic dynamic load rating, radial
C0r
61,000 N
Basic static load rating, radial
Cur
5,500 N
Fatigue load limit, radial
nG
8,000 1/min
Limiting speed
≈m
0.504 kg
Weight

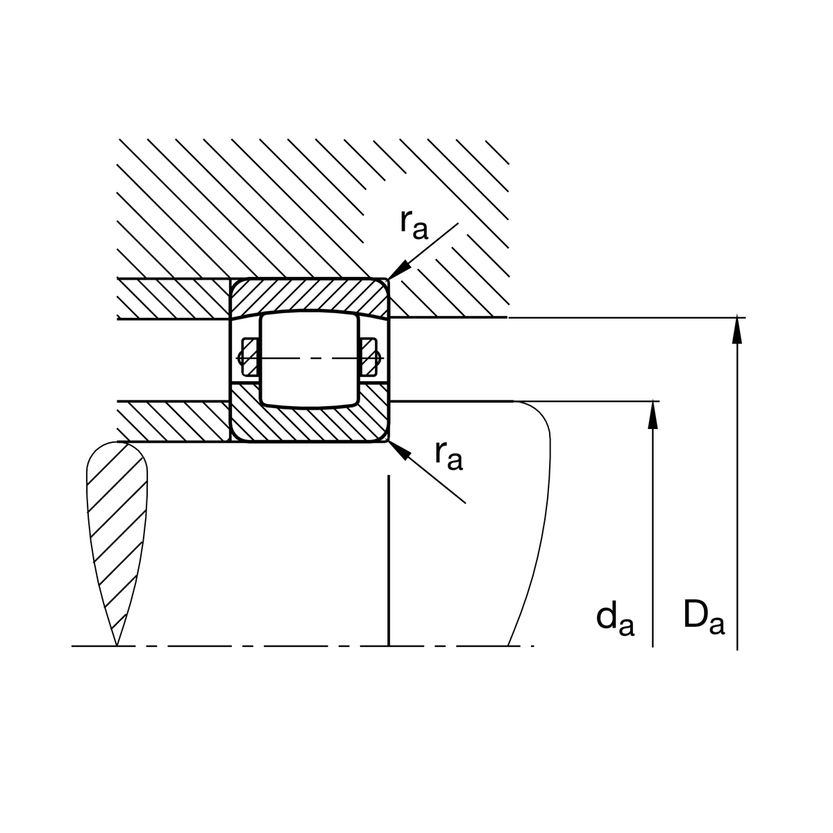
Mounting dimensions
da min
44 mm
Minimum diameter shaft shoulder
Da max
71 mm
Maximum diameter of housing shoulder
ra max
1.5 mm
Maximum recess radius

Dimensions
rmin
1.5 mm
Minimum chamfer dimension
D1
67.4 mm
Bore diameter outer ring

Temperature range
Tmin
-30 °C
Operating temperature min.
Tmax
120 °C
Operating temperature max.

Your current product variant
Bore typeZCylindrical
CageTVPPlastic cage
Radial internal clearanceCN (Group N)Normal internal clearance
Thêm vào yêu cầu báo giá