PRODUCTS

  • Home
  • Giới thiệu sản phẩm

Schaeffler
EDV530X503
Sealing ring EDV530X503
Thêm vào yêu cầu báo giá
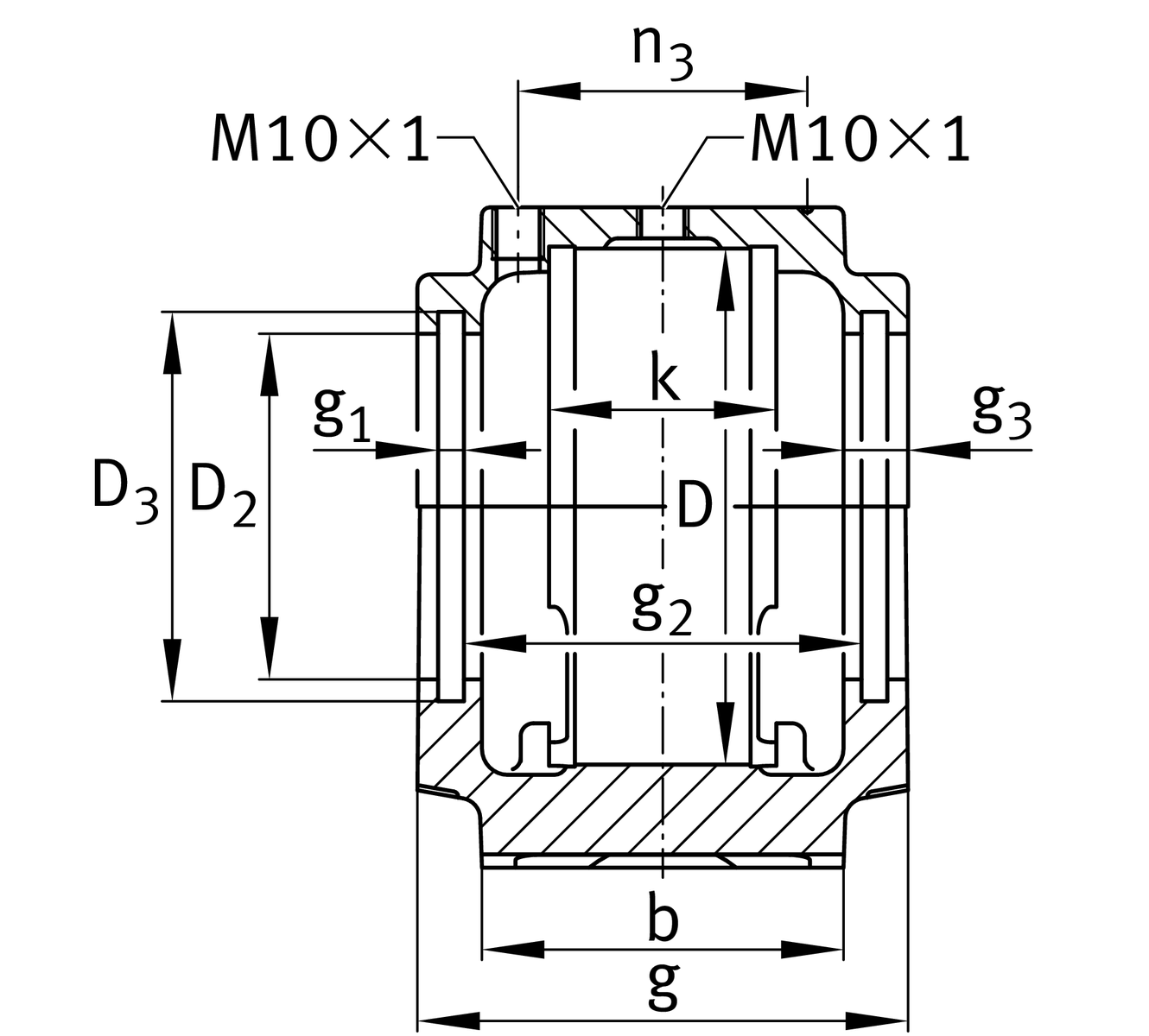
Main Dimensions & Performance Data
d
131.763 mm
Shaft diameter
d2
131.7625 mm
Sealing shaft diameter
D3
202.5 mm
Outside diamater
D2
192.5 mm
Diameter Sealingseat
Thêm vào yêu cầu báo giá