PRODUCTS
- Home
- Giới thiệu sản phẩm
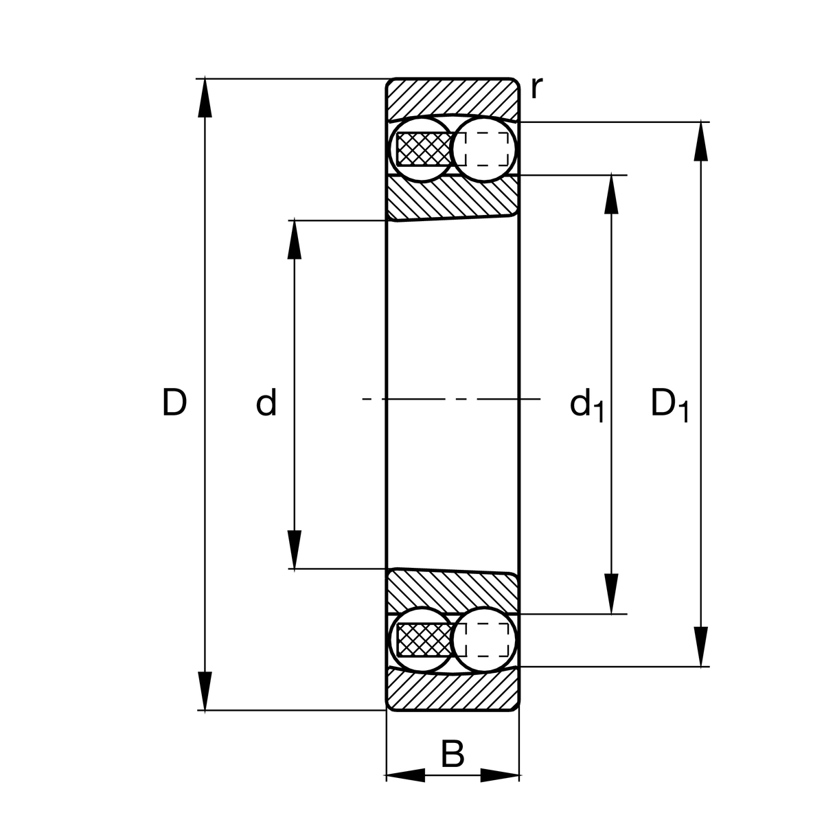
| d | 35 mm | Bore diameter |
| D | 72 mm | Outside diameter |
| B | 17 mm | Width |
| Cr | 16,000 N | Basic dynamic load rating, radial |
| C0r | 5,100 N | Basic static load rating, radial |
| Cur | 325 N | Fatigue load limit, radial |
| nG | 11,600 1/min | Limiting speed |
| nϑr | 9,800 1/min | Reference speed |
| ≈m | 0.315 kg | Weight |
| da min | 42 mm | Minimum diameter shaft shoulder |
| da max | 45 mm | Maximum diameter shaft shoulder |
| Da max | 65 mm | Maximum diameter of housing shoulder |
| db min | 38 mm | Minimum cavity diameter of the sleeve |
| Ba min | 5 mm | Minimum cavity width of the sleeve |
| ra max | 1 mm | Maximum fillet radius |
| rmin | 1.1 mm | Minimum chamfer dimension |
| D1 | 59.08 mm | Shoulder diameter outer ring |
| d1 | 47.7 mm | Shoulder diameter inner ring |
| Tmin | -30 °C | Operating temperature min. |
| Tmax | 120 °C | Operating temperature max. |
| e | 0.22 | Limiting value of Fa/Fr for the applicability of diff. Values of factors X and Y |
| Y1 | 2.81 | Dynamic axial load factor |
| Y2 | 4.35 | Dynamic axial load factor |
| Y0 | 2.94 | Static axial load factor |
H207 | Adapter sleeve |
| Bore type | K | Tapered, taper 1:12 |
| Sealing | Without | Not sealed |
| Cage | TVH | solid cage made of glass-fiber reinforced polyamid PA66 |
| Tolerance class | PN | Normal (PN) |
| Lubricant | Without | Bearing not greased |
| Radial internal clearance | C3 (Group 3) | Internal clearance larger than CN |