PRODUCTS

  • Home
  • Giới thiệu sản phẩm

FAG
11207-TVH
Self-aligning ball bearing 11207-TVH
Thêm vào yêu cầu báo giá
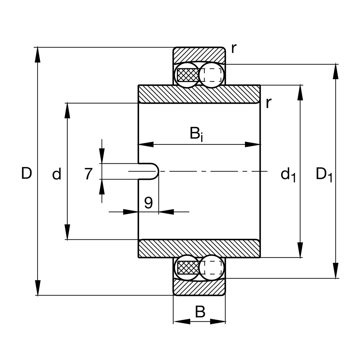
Main Dimensions & Performance Data
d
35 mm
Bore diameter
D
72 mm
Outside diameter
B
17 mm
Width, outer ring
Bi
52 mm
Width, inner ring
Cr
16,000 N
Basic dynamic load rating, radial
C0r
5,100 N
Basic static load rating, radial
Cur
325 N
Fatigue load limit, radial
nG
11,600 1/min
Limiting speed
nϑr
9,800 1/min
Reference speed
≈m
0.54 kg
Weight

Mounting dimensions
Da max
65 mm
Maximum diameter of housing shoulder
ra max
1 mm
Maximaler Hohlkehlradius

Dimensions
rmin
1.1 mm
Minimum chamfer dimension
D1
59.08 mm
Shoulder diameter outer ring
d1
47.7 mm
Shoulder diameter inner ring
b
7 mm
Width retaining slot
t
9 mm
Hight retaining slot

Temperature range
Tmin
-30 °C
Operating temperature min.
Tmax
120 °C
Operating temperature max.

Calculation factors
e
0.22
Limiting value of Fa/Fr for the applicability of diff. Values of factors X and Y
Y1
2.81
Dynamic axial load factor
Y2
4.35
Dynamic axial load factor
Y0
2.94
Static axial load factor

Your current product variant
CageTVHsolid cage made of glass-fiber reinforced polyamid PA66
Thêm vào yêu cầu báo giá