PRODUCTS

  • Home
  • Giới thiệu sản phẩm

INA
81130-TV
Axial cylindrical roller bearing 81130-TV
Thêm vào yêu cầu báo giá
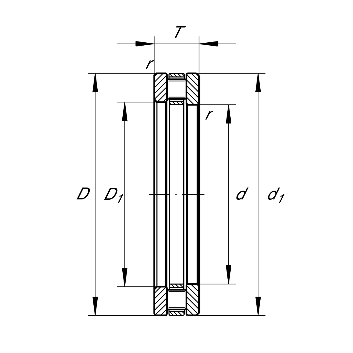
Main Dimensions & Performance Data
d
150 mm
Bore diameter
T
31 mm
Height
Ca
270,000 N
Basic dynamic load rating, axial
C0a
1,020,000 N
Basic static load rating, axial
Cua
88,000 N
Fatigue load limit, axial
nG
1,690 1/min
Limiting speed
nϑr
660 1/min
Reference speed
D
190 mm
Outside diameter
≈m
1.875 kg
Weight

Mounting dimensions
da min
185 mm
Minimum diameter shaft shoulder
Da max
155 mm
Maximum diameter of housing shoulder
ra max
1 mm
Maximum recess radius

Dimensions
D1
152 mm
Bore diameter housing washer
d1
188 mm
Rip diameter shaft washer
rmin
1 mm
Minimum chamfer dimension

Temperature range
Tmin
-30 °C
Operating temperature min.
Tmax
120 °C
Operating temperature max.

Additional information
K81130-TV
Axial roller and cage assembly
GS81130
Housing Washer
WS81130
Shaft washer
LS150190
Track Washer

Your current product variant
CageTVPlastic Cage made from PA66
Thêm vào yêu cầu báo giá