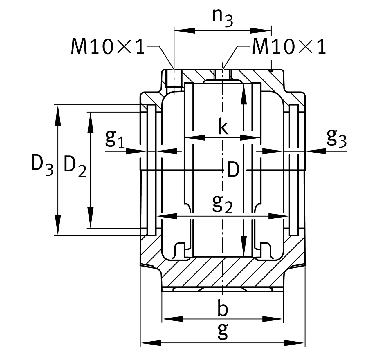
Sealing ring EDV524X403 Đã thêm mặt hàng bạn chọn vào danh sách yêu cầu báo giá, cảm ơn bạn rất nhiều!