PRODUCTS

  • Home
  • Giới thiệu sản phẩm

FAG
UCF207-21
Flanged housing unit UCF207-21
Thêm vào yêu cầu báo giá
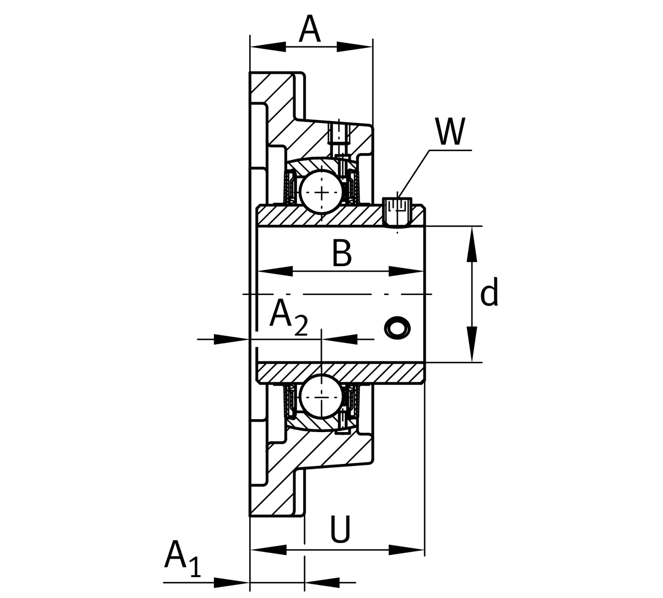
Main Dimensions & Performance Data
d
33.338 mm
Bore diameter
L
117 mm
Flange width
U
44.4 mm
Total height unit
Cr
27,500 N
Basic dynamic load rating, radial
C0r
15,300 N
Basic static load rating, radial
Cur
800 N
Fatigue load limit, radial
≈m
1.503 kg
Weight

Mounting dimensions
J
92 mm
Distance fixing bore
N
14 mm
Fixing bore
N1
92 mm
Distance fixing bore
n
4
Number of screwing holes

Dimensions
A
34 mm
Height housing
A1
16 mm
Thickness of flange
A2
19 mm
Distance raceway
B
42.9 mm
Width
Q
M6
Connection thread for lubrication

Additional information
1
Number of housings
F207
Housing
UC207-21
Bearing designation

Temperature range
Tmin
-20 °C
Operating temperature min.
Tmax
120 °C
Operating temperature max.

Your current product variant
MaterialGGGrey cast iron
Thêm vào yêu cầu báo giá