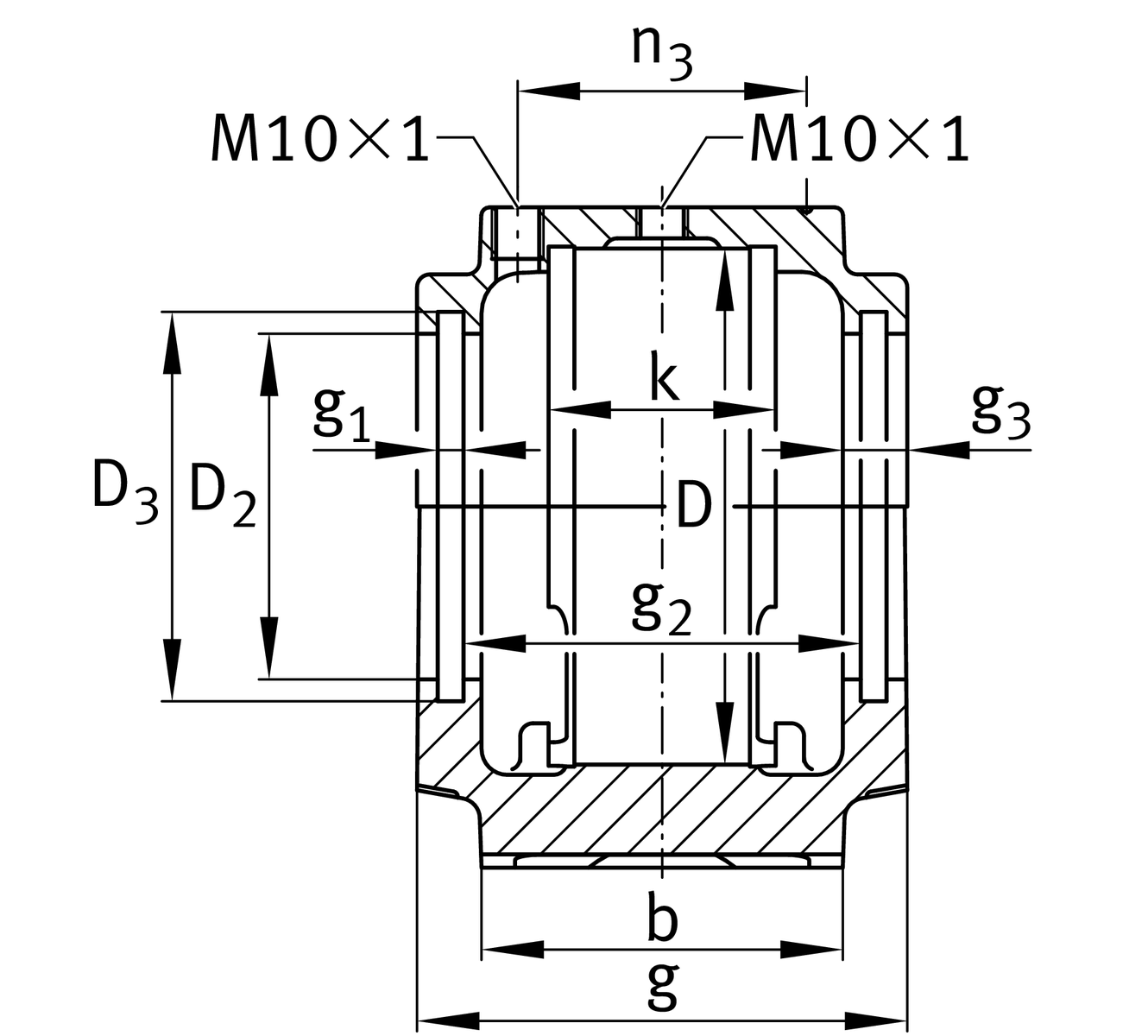
Sealing ring EDV509X107 Đã thêm mặt hàng bạn chọn vào danh sách yêu cầu báo giá, cảm ơn bạn rất nhiều!