PRODUCTS

  • Home
  • Giới thiệu sản phẩm

FAG
UCT207-20
Take-up housing unit UCT207-20
Thêm vào yêu cầu báo giá
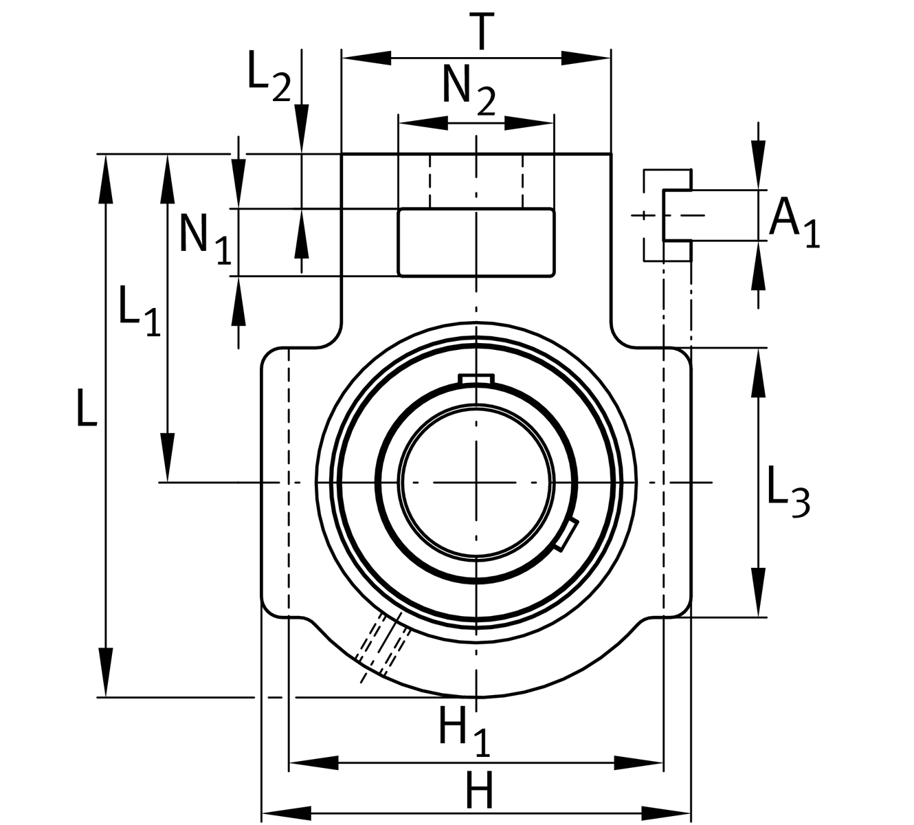
Main Dimensions & Performance Data
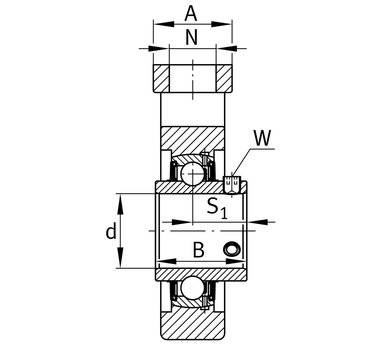
d
31.75 mm
Bore diameter
H
102 mm
Height
L
129 mm
Length total
≈m
1.611 kg
Weight

Mounting dimensions
A1
12 mm
Width guidance groove
0.2 mm
Upper width guidance groove tolerance
0 mm
Lower width guidance groove tolerance
H1
89 mm
Distance guidance grooves
0 mm
Upper distance guidance groove tolerance
-0.5 mm
Lower distance guidance groove tolerance
N
22 mm
Fixing bore

Dimensions
L1
78 mm
Distance shaft axis
L2
13 mm
Length fixed link
L3
64 mm
Length guidance groove
A
37 mm
Width housing fixing side
N1
16 mm
Width recess
N2
37 mm
Height recess
B
42.9 mm
Width inner ring
S1
25.4 mm
Distance of raceway to locking collar
T
64 mm
Height housing fixing side
Q
M6
Connection thread for lubrication
A2
30 mm
Width housing

Additional information
T207
Housing
UC207-20
Bearing designation

Temperature range
Tmin
-20 °C
Operating temperature min.
Tmax
120 °C
Operating temperature max.

Your current product variant
MaterialGGGrey cast iron
Thêm vào yêu cầu báo giá