PRODUCTS

  • Home
  • Giới thiệu sản phẩm

FAG
UCFA207-20
Take-up housing unit UCFA207-20
Thêm vào yêu cầu báo giá
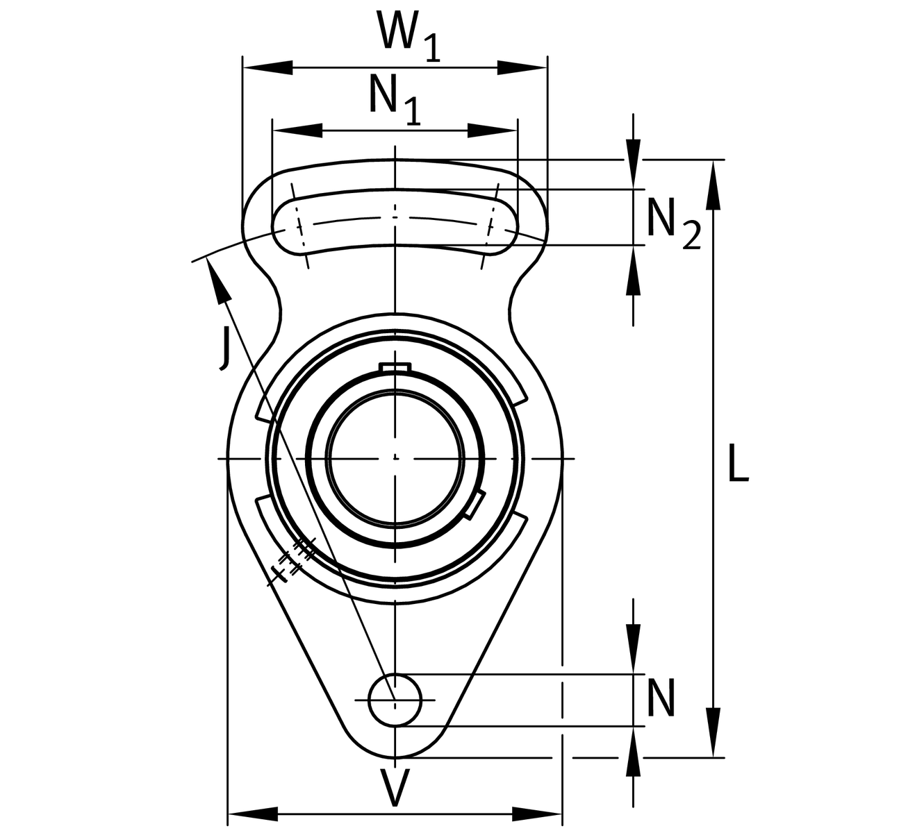
Main Dimensions & Performance Data
d
31.75 mm
Bore diameter
L
161 mm
Length total
U
44.4 mm
Total height unit
≈m
1.313 kg
Weight

Mounting dimensions
N
14 mm
Fixing bore
N1
66 mm
Length (slot)
N2
14 mm
Width (slot)
J
130 mm
Distance fixing bore

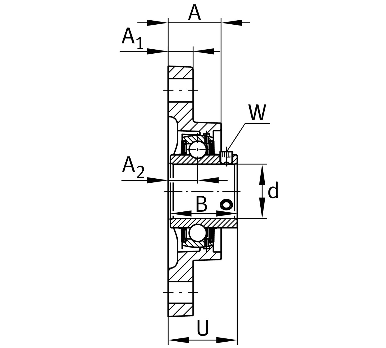
Dimensions
A1
16 mm
Thickness of flange
A2
19 mm
Distance raceway
A
34 mm
Height housing
V
90 mm
Shoulder diameter housing
W
82 mm
Width housing slot side
Q
M6
Connection thread for lubrication

Additional information
FA207
Housing
UC207-20
Bearing designation

Temperature range
Tmin
-20 °C
Operating temperature min.
Tmax
120 °C
Operating temperature max.

Your current product variant
MaterialGGGrey cast iron
Thêm vào yêu cầu báo giá