PRODUCTS

  • Home
  • Giới thiệu sản phẩm

FAG
UCPA206-19
Plummer block housing unit UCPA206-19
Thêm vào yêu cầu báo giá
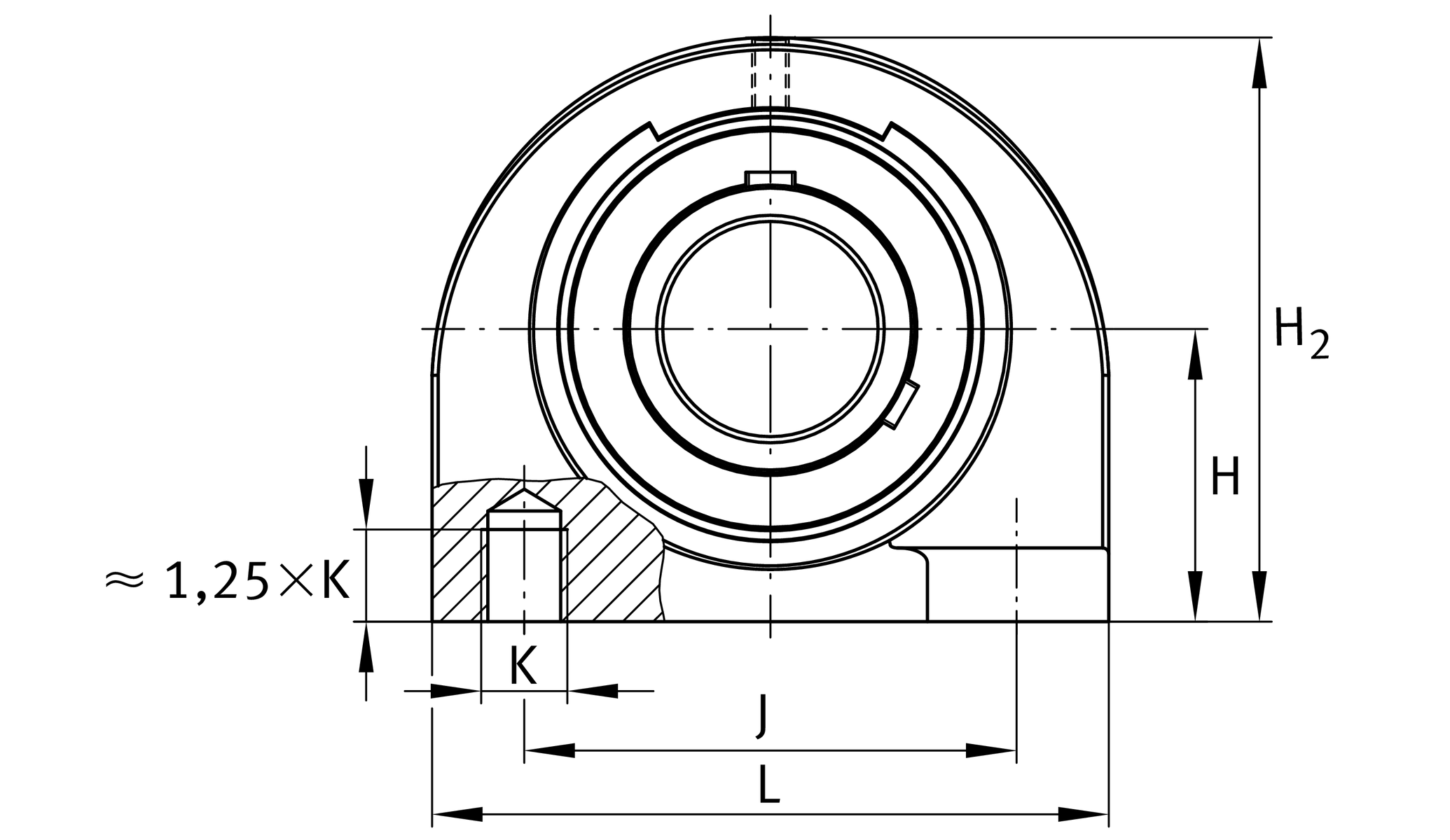
Main Dimensions & Performance Data
d
30.163 mm
Bore diameter
L
94 mm
Length total
H2
84 mm
Height
≈m
1.214 kg
Weight

Mounting dimensions
J
66 mm
Distance fixing bore
K
M14
Thread fixing bore

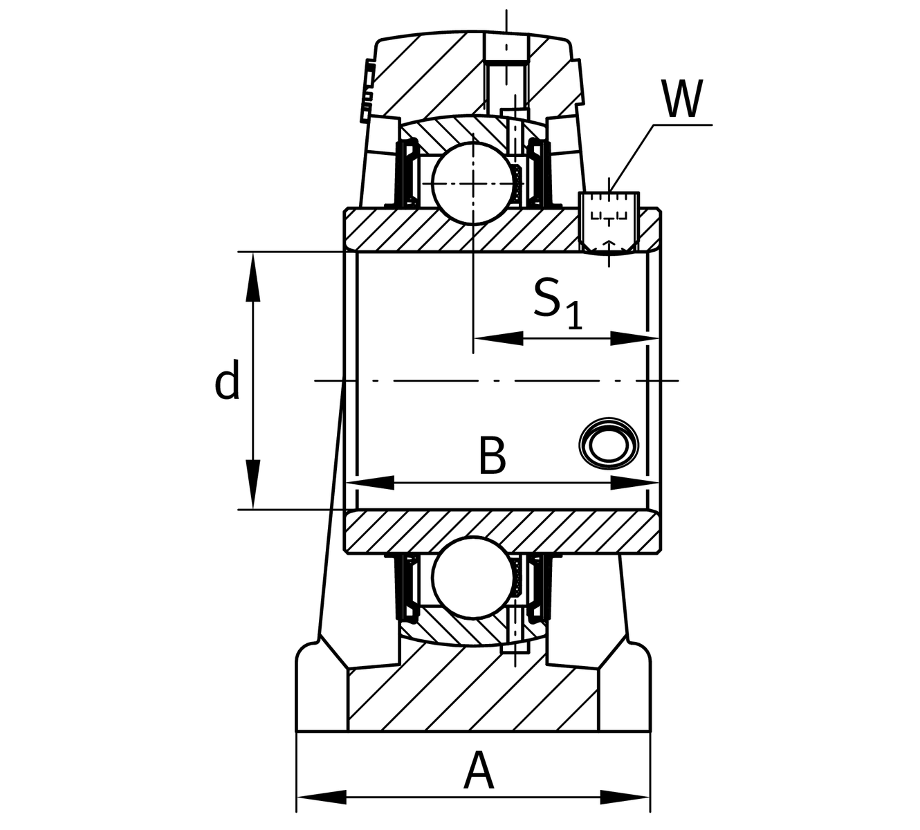
Dimensions
H
42.9 mm
Distance shaft axis
A
48 mm
Width (base)
Q
M6
Connection thread for lubrication
B
38.1 mm
Width of inner ring
S1
22.2 mm
Distance of raceway to locking collar

Additional information
PA206
Housing
UC206-19
Bearing designation

Temperature range
Tmin
-20 °C
Operating temperature min.
Tmax
120 °C
Operating temperature max.

Your current product variant
MaterialGGGrey cast iron
Housing clearanceJ7Normal swivel torque
DummyGGcast iron
Thêm vào yêu cầu báo giá