PRODUCTS
- Home
- Giới thiệu sản phẩm
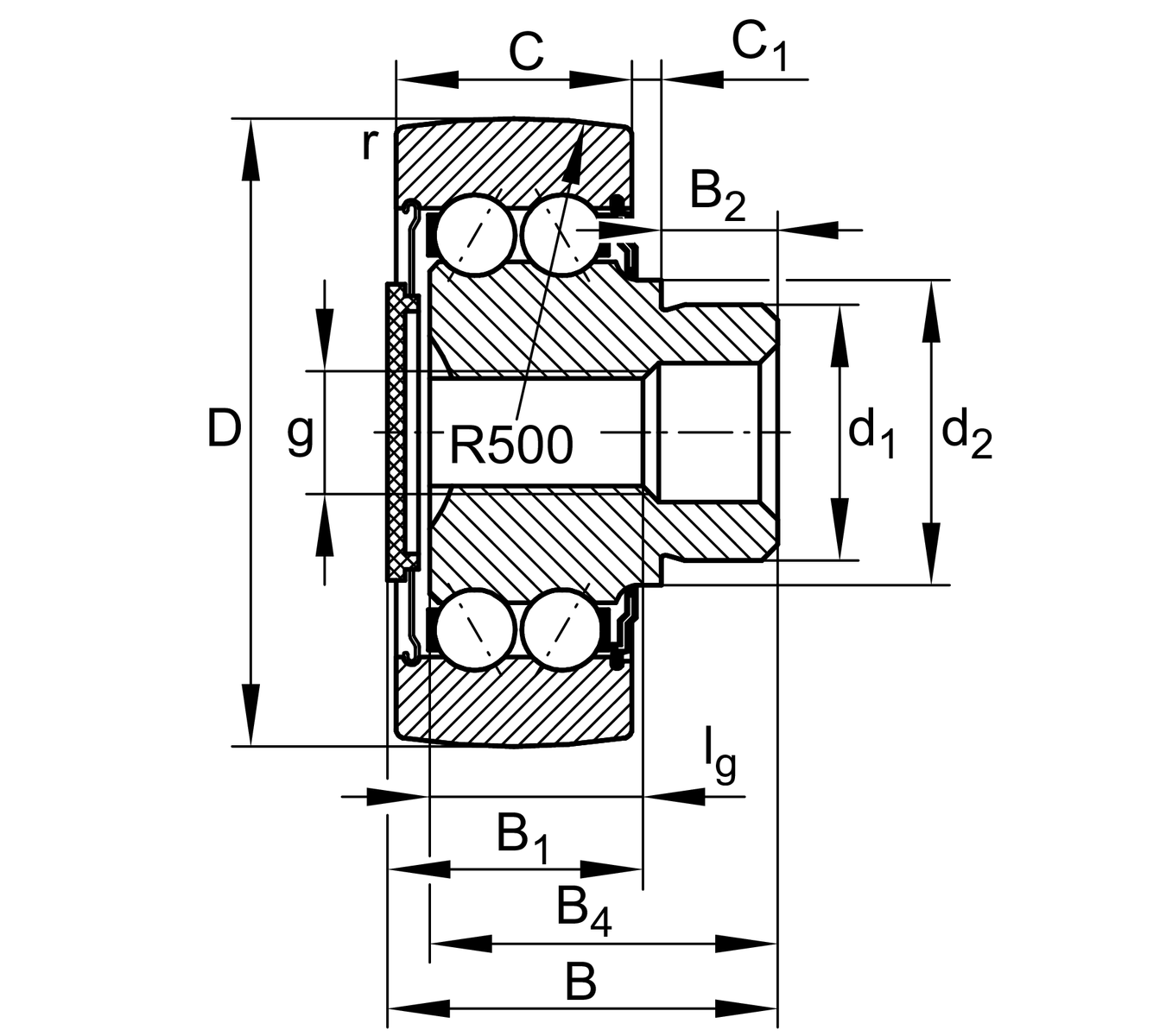
| D | 72 mm | Outside diameter |
| d1 | 30 mm | Fit diameter of roller stud / stud |
| B | 59 mm | Width |
| Cr w | 25,000 N | Basic dynamic load rating, radial |
| C0r w | 18,800 N | Basic static load rating, radial |
| Cur w | 970 N | Fatigue load limit, radial |
| nD G | 3,500 1/min | Speed on permanent grease lubrication |
| ≈m | 0.68 kg | Weight |
| B1 max | 29 mm | Maximum witdh of thrust washer |
| B2 | 30 mm | Bolt/stud length effectively |
| B4 | 56.5 mm | Length total |
| C | 23.8 mm | Width, outer ring |
| C1 | 4.5 mm | Protrusion outer ring to thrust washer |
| d2 | 37.3 mm | Stop diameter of thrust washer |
| rmin | 1 mm | Minimum chamfer dimension |
| g | M16 | Thread inside |
| lg | 20 mm | Thread length (inner) |
| R | 500 mm | Radius of outer ring outside profile |
| Sealing | DRS | Lip seal on stud side, axial sealing action Sealing shield with cover on the end face |
| Outer Ring profile | R500 | R500 |
| Relubrication feature | Without | Without |
| Assembling aid head | SL | Mounting slot |