PRODUCTS
- Home
- Giới thiệu sản phẩm
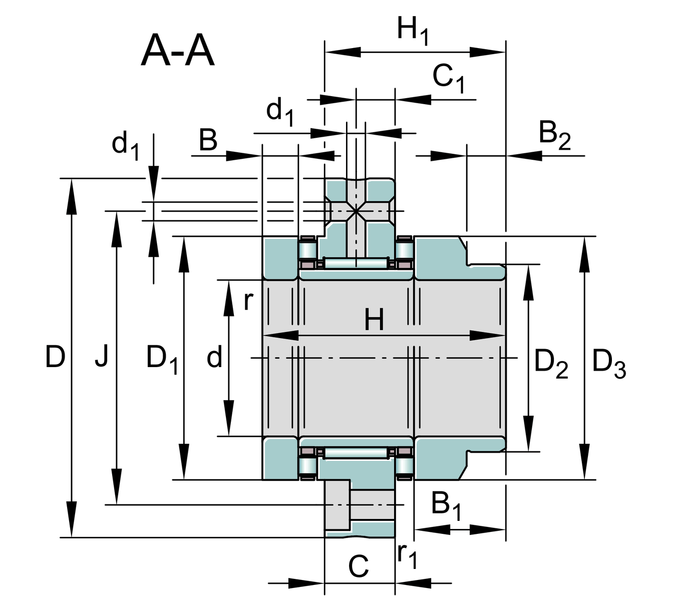
| d | 30 mm | Bore diameter |
| D | 105 mm | Outside diameter |
| H | 82 mm | Hight |
| Ca | 107,000 N | Basic dynamic load rating, axial |
| C0a | 265,000 N | Basic static load rating, axial |
| Cr | 26,000 N | Basic dynamic load rating, radial |
| C0r | 47,000 N | Basic static load rating, radial |
| Cua | 22,900 N | Fatigue load limit, axial |
| Cur | 6,800 N | Fatigue load limit, radial |
| nG Oil | 4,400 1/min | Limiting speed for oil lubrication |
| nG Grease | 1,300 1/min | Limiting speed for grease lubrication |
| MRL | 2.1 Nm | Bearing friction torque |
| ≈m | 1.98 kg | Weight |
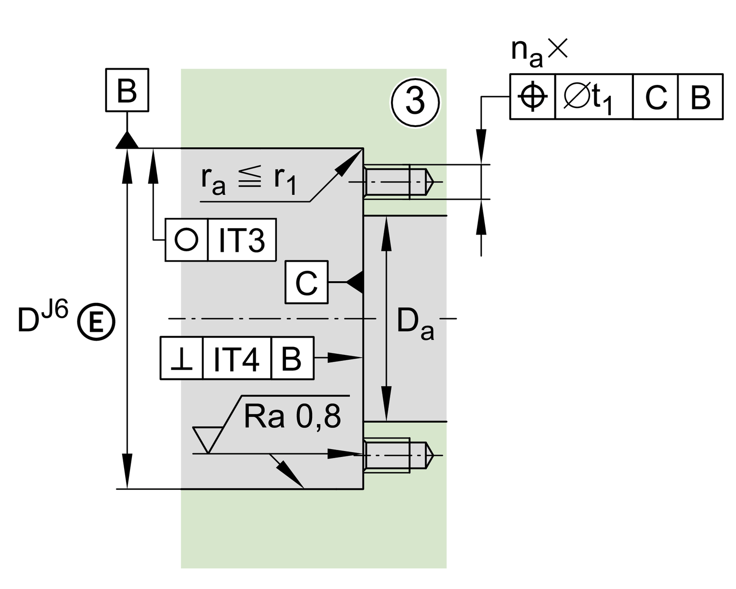
| Da max | 69 mm | Maximum diameter of housing shoulder |
| da min | 50 mm | Minimum diameter shaft shoulder |
| t1 | 0.2 mm | Position bore in the housing |
| H1 | 57 mm | Height outer ring over wave washer |
| C | 18 mm | Width, outer ring |
| C1 | 10 mm | Distance to lubrication hole |
| D1 | 68 mm | Rip diameter shaft washer |
| D2 | 52 mm | Heeldiameter wave washer long |
| D3 | 66 mm | Outside diameter wave washer long |
| B | 14 mm | Width, wave washer |
| B1 | 30 mm | Width wave washer long |
| B2 | 13 mm | Width heel wave washer long |
| rmin | 0.3 mm | Minimum chamfer dimension |
| r1 min | 0.6 mm | Minimum chamfer dimension |
| d1 | 3.2 mm | Diameter lubrication hole |
| J | 85 mm | Pitch circle diameter (holes) |
| n | 12 | Number of screwing holes |
| n x t | 30 ° | Split |
| Tmin | -30 °C | Operating temperature min. |
| Tmax | 20 °C | Operating temperature max. |
| caL | 3,300 N/µm | Rigidity axial |
| ckL | 1,100 Nm/mrad | Tilting stiffness |
| Mm | 7.43 kg*cm2 | Mass moment of inertia |
1 µm | Axial runout | |
| radial | ZMA30/65 | Recommended INA precision locknut for radial locking (not included) |
| axial | AM30 | Locknut 2 |
| MA | 75 Nm | Tightening torque nut |
24,287 N | Preload force axial | |
52X68X8 | Sealing ring | |
M8 | Screw size | |
| na | 12 | Number of screws |
| na x ta | 30 ° | Division (screwing holes) |
| Cage | TV | Plastic Cage made from PA66 |
| Locating Feature , bearing outer ring | L | Stepped shaft locating washer extended on one side |