PRODUCTS

  • Home
  • Giới thiệu sản phẩm

FAG
UKFC207
Flanged housing unit UKFC207
Thêm vào yêu cầu báo giá
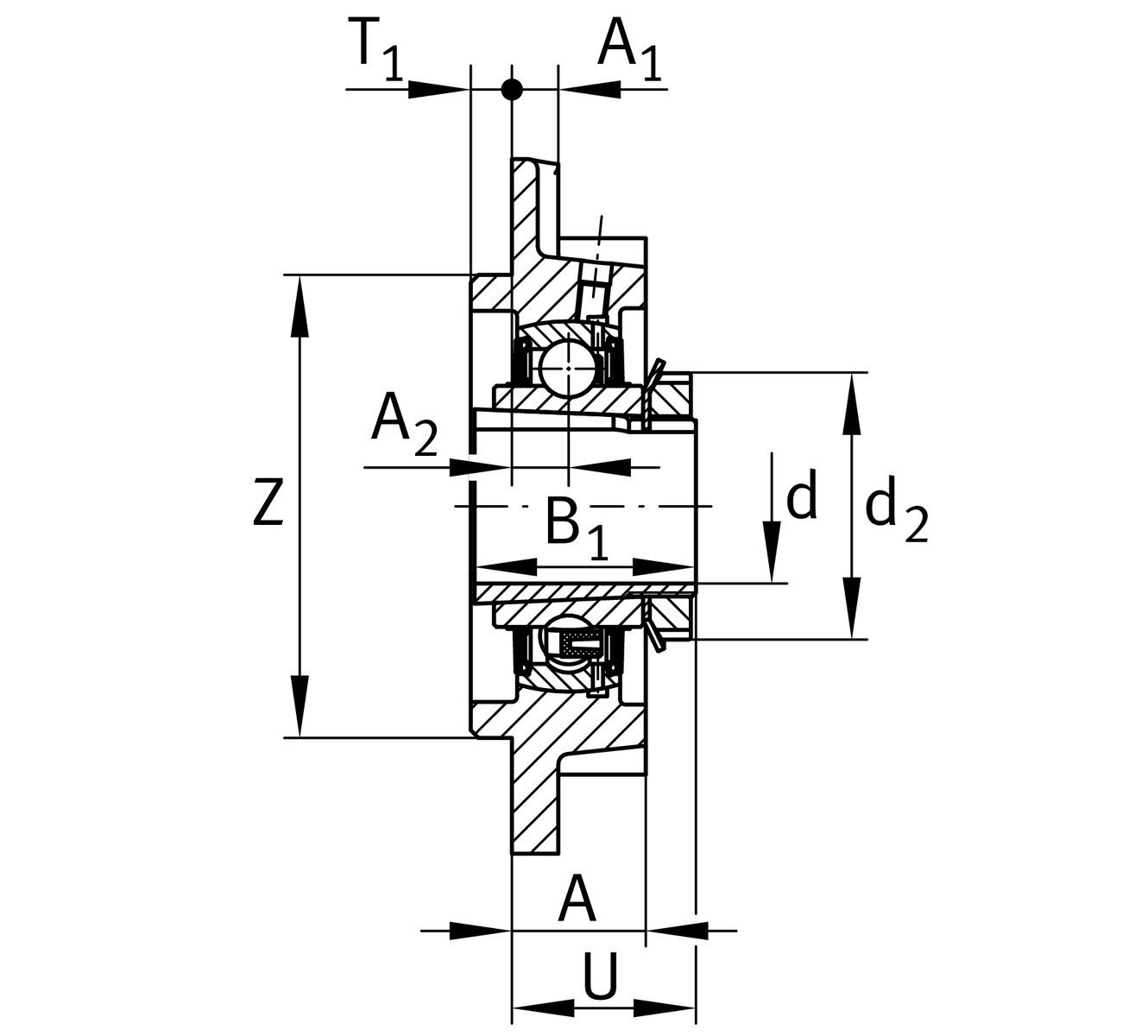
Main Dimensions & Performance Data
d
30 mm
Bore diameter
H
135 mm
Height flange
U
35.7 mm
Total height unit
Cr
27,500 N
Basic dynamic load rating, radial
C0r
15,300 N
Basic static load rating, radial
Cur
800 N
Fatigue load limit, radial
≈m
1.784 kg
Weight

Mounting dimensions
J
110 mm
Pitch circle diameter (holes)
N
14 mm
Fixing bore
N1
77.8 mm
Distance fixing bore
T1
8 mm
Height spigot
Z
90 mm
Diameter spigot
h8
Diameter spigot clearance
n
4
Number of screwing holes

Dimensions
A
26 mm
Height housing
A1
9 mm
Thickness of flange
A2
11 mm
Distance raceway
B
29 mm
Width
B1
43 mm
Locking collar total width
d3
52 mm
Outside diameter eccentric locking collar

Additional information
1
Number of housings
FC207
Housing
UK207
Bearing designation

Temperature range
Tmin
-20 °C
Operating temperature min.
Tmax
120 °C
Operating temperature max.

Your current product variant
MaterialGGGrey cast iron
Thêm vào yêu cầu báo giá