PRODUCTS

  • Home
  • Giới thiệu sản phẩm

FAG
UCFC206
Flanged housing unit UCFC206
Thêm vào yêu cầu báo giá
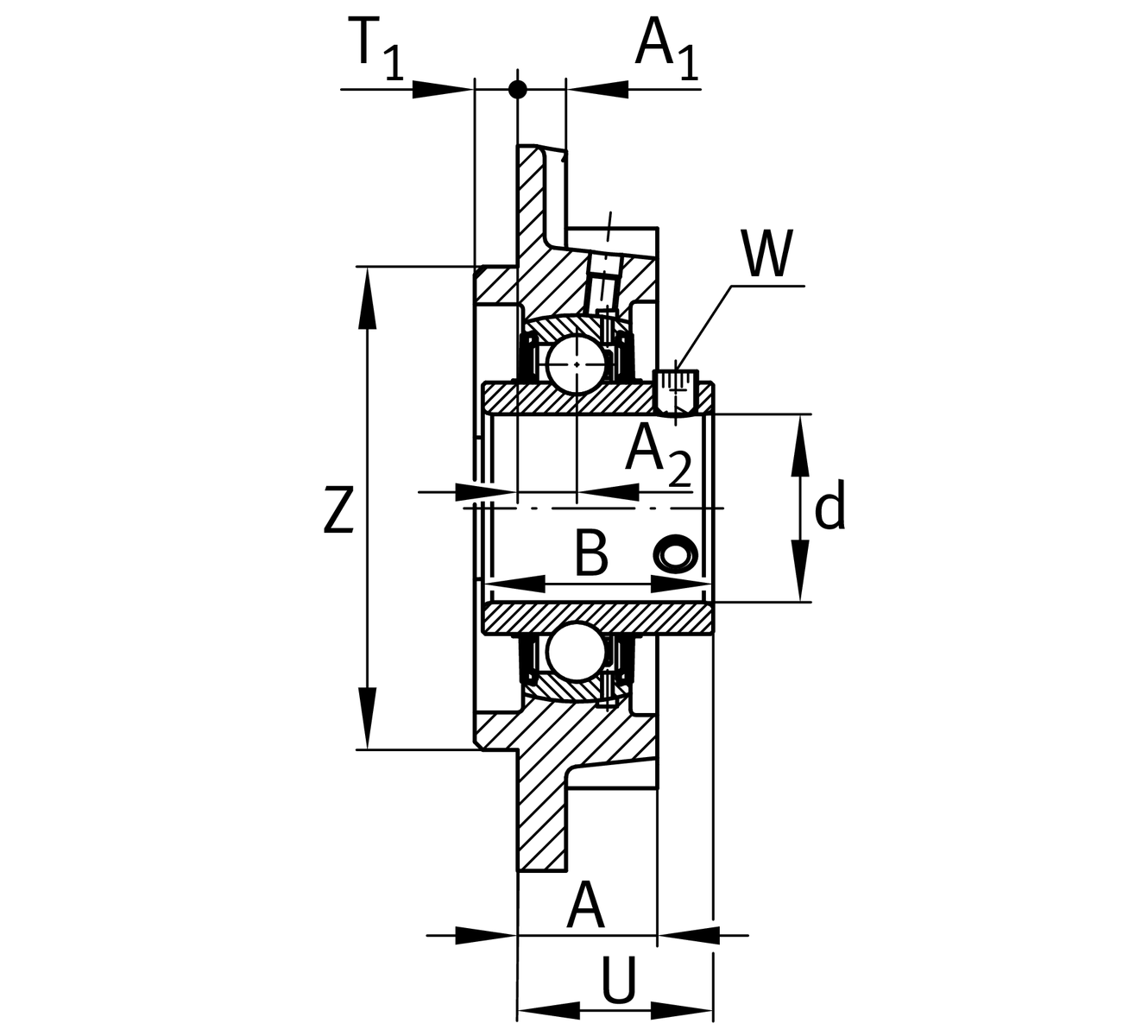
Main Dimensions & Performance Data
d
30 mm
Bore diameter
H
125 mm
Height flange
U
32.2 mm
Total height unit
Cr
19,500 N
Basic dynamic load rating, radial
C0r
11,300 N
Basic static load rating, radial
Cur
480 N
Fatigue load limit, radial
≈m
1.252 kg
Weight

Mounting dimensions
J
100 mm
Distance fixing bore
J
100 mm
Pitch circle diameter (holes)
N
12 mm
Fixing bore
N1
70.7 mm
Distance fixing bore
T1
8 mm
Height spigot
Z
80 mm
Diameter spigot
h8
Diameter spigot clearance
n
4
Number of screwing holes

Dimensions
A
23 mm
Height housing
A1
8 mm
Thickness of flange
A2
10 mm
Distance raceway
B
38.1 mm
Width
Q
M6
Connection thread for lubrication

Additional information
1
Number of housings
FC206
Housing
UC206
Bearing designation

Temperature range
Tmin
-20 °C
Operating temperature min.
Tmax
120 °C
Operating temperature max.

Your current product variant
MaterialGGGrey cast iron
Thêm vào yêu cầu báo giá