PRODUCTS

  • Home
  • Giới thiệu sản phẩm

INA
TFE30-XL
Flanged housing unit TFE30-XL
Thêm vào yêu cầu báo giá
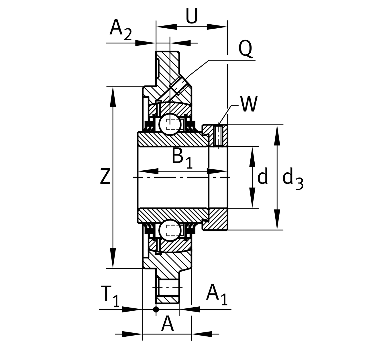
Main Dimensions & Performance Data
d
30 mm
Bore diameter
H
127 mm
Flange width
U
40.7 mm
Total height unit
Cr
20,700 N
Basic dynamic load rating, radial
C0r
11,300 N
Basic static load rating, radial
Cur
590 N
Fatigue load limit, radial
≈m
1.05 kg
Weight

Mounting dimensions
J
105 mm
Pitch circle diameter (holes)
N
9 mm
Fixing bore
T1
3 mm
Height spigot
Z
85 mm
Diameter spigot
h8
Diameter spigot clearance
n
4
Number of screwing holes

Dimensions
A
24.5 mm
Height housing
A1
9.5 mm
Thickness of flange
A2
10.5 mm
Distance raceway
B1
48.5 mm
Locking collar total width
Q
M6
Connection thread for lubrication
d3
44 mm
Outer diameter locking collar

Additional information
FE06
Housing
GE30-XL-KTT-B
Bearing designation

Temperature range
Tmin
-20 °C
Operating temperature min.
Tmax
100 °C
Operating temperature max.

Your current product variant
MaterialGGGrey cast iron
Thêm vào yêu cầu báo giá