PRODUCTS
- Home
- Giới thiệu sản phẩm
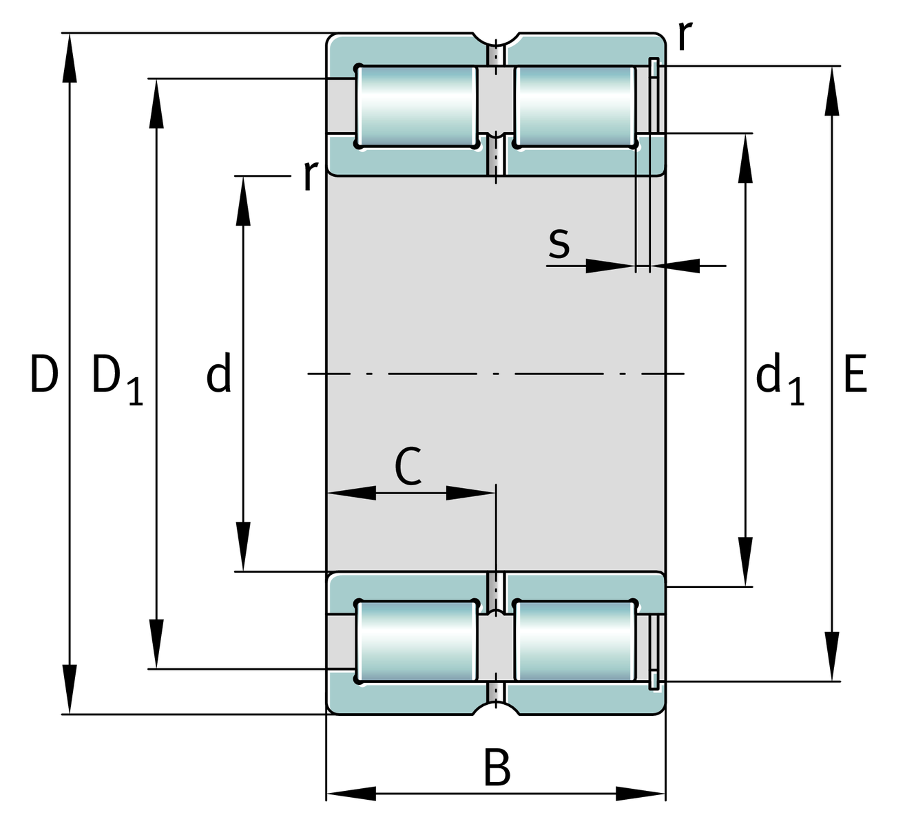
| d | 30 mm | Bore diameter |
| D | 55 mm | Outside diameter |
| B | 34 mm | Width |
| Cr | 69,000 N | Basic dynamic load rating, radial |
| C0r | 84,000 N | Basic static load rating, radial |
| Cur | 12,300 N | Fatigue load limit, radial |
| nG | 8,100 1/min | Limiting speed |
| nϑr | 5,300 1/min | Reference speed |
| ≈m | 333.6 g | Weight |
| dc min | 40 mm | Minimum shaft shoulder |
| da min | 40 mm | Minimum diameter shaft shoulder |
| Da max | 45.3 mm | Maximum diameter of housing shoulder |
| ra max | 1 mm | Maximum recess radius |
| ra1 max | 2.1 mm | Maximum recess radius |
| De min | 45.3 mm | Minimum diameter of housing shoulder |
| rmin | 1 mm | Minimum chamfer dimension |
| r1 min | 1.5 mm | Minimum chamfer dimension |
| s | 1.5 mm | Axial displacement |
| C | 17 mm | Distance to lubrication hole |
| d1 | 40 mm | Maximum rib diameter inner ring |
| D1 min | 45.3 mm | Minimum rib diameter outer ring |
| E | 49.6 mm | Raceway diameter outer ring |
| Tmin | -30 °C | Operating temperature min. |
| Tmax | 120 °C | Operating temperature max. |
| Design | A | Internal Variant A |
| Radial internal clearance | CN (Group N) | Normal internal clearance |
| Tolerance class | PN | Normal (PN) |
| Number of rolling element rows | 2 | Double-row design |