PRODUCTS

  • Home
  • Giới thiệu sản phẩm

FAG
16028-C3
Deep groove ball bearing 16028-C3
Thêm vào yêu cầu báo giá
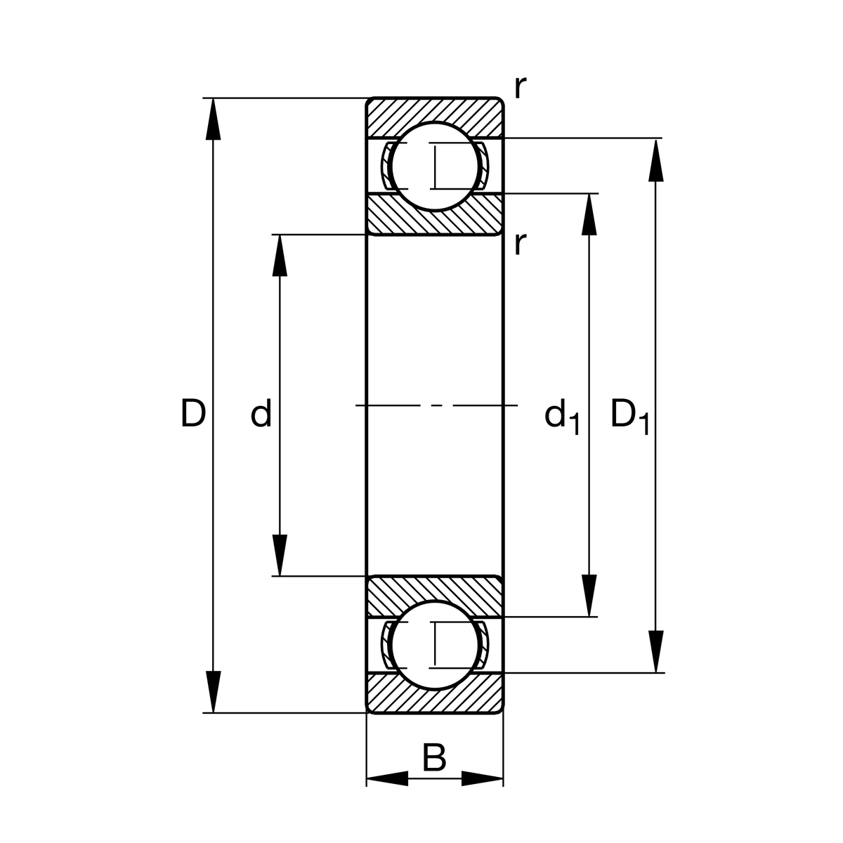
Main Dimensions & Performance Data
d
140 mm
Bore diameter
D
210 mm
Outside diameter
B
22 mm
Width
Cr
86,000 N
Basic dynamic load rating, radial
C0r
87,000 N
Basic static load rating, radial
Cur
3,850 N
Fatigue load limit, radial
nG
4,400 1/min
Limiting speed
nϑr
3,200 1/min
Reference speed
≈m
2.55 kg
Weight

Mounting dimensions
da min
146 mm
Minimum diameter shaft shoulder
Da max
204 mm
Maximum diameter of housing shoulder
ra max
1 mm
Maximum fillet radius

Dimensions
rmin
1.1 mm
Minimum chamfer dimension
D1
186.72 mm
Shoulder diameter outer ring
d1
164.72 mm
Shoulder diameter inner ring

Temperature range
Tmin
-30 °C
Operating temperature min.
Tmax
150 °C
Operating temperature max.

Calculation factors
f0
16.5
Calculation factor

Your current product variant
SealingWithoutNot sealed
CageJNsteel sheet metal
Tolerance classPNNormal (PN)
Dimensional / heat stabilization S0Rings dimensional stabilized up to 150°
LubricantWithoutBearing not greased
Bore typeZCylindrical
Radial internal clearanceC3 (Group 3)Internal clearance larger than CN
Thêm vào yêu cầu báo giá