PRODUCTS

  • Home
  • Giới thiệu sản phẩm

INA
EGW32-E40-B
Thrust washer EGW32-E40-B
Thêm vào yêu cầu báo giá
Main Dimensions & Performance Data
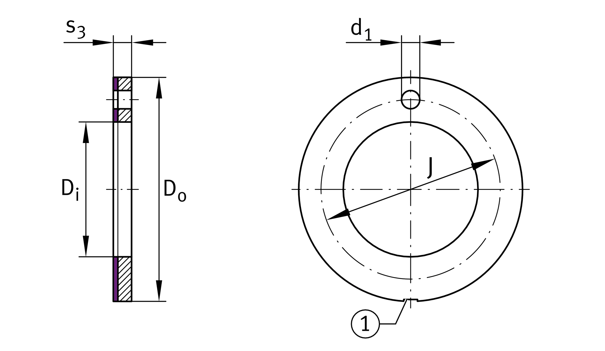
Di
32 mm
Inner diameter
s3
1.5 mm
Wall thickness
Ca
208,000 N
Basic dynamic load rating, axial
C0a
371,000 N
Basic static load rating, axial
Do
54 mm
Outer Diameter
≈m
17.9 g
Weight

Dimensions
J
43 mm
Pitch circle
d1
4 mm
Fixing hole diameter
ta
1 mm
Mounting dimension
d6a
54 mm
Mounting dimension d_6a
Di OT
0.25 mm
Inner diameter, upper tolerance
Di UT
0 mm
Inner diameter, lower tolerance
Do OT
0 mm
Outside diameter, upper tolerance
Do UT
-0.25 mm
Outside diameter, lower tolerance
s3 OT
0 mm
Wall thickness, upper tolerance
s3 UT
-0.05 mm
Wall thickness, lower tolerance
JOT
0.12 mm
Pitch circle, upper tolerance
JUT
-0.12 mm
Pitch circle, lower tolerance
d1 OT
0.4 mm
Fixing hole diameter, upper tolerance
d1 UT
0.1 mm
Fixing hole diameter, lower tolerance
ta OT
0.2 mm
Mounting dimension, upper tolerance
ta UT
-0.2 mm
Mounting dimension, lower tolerance
d6a OT
0.12 mm
Mounting dimension d_6a, upper tolerance
d6a UT
0 mm
Mounting dimension d_6a, lower tolerance

Temperature range
Tmin
-200 °C
Operating temperature min.
Tmax
280 °C
Operating temperature max.

Your current product variant
Material sliding LayerE40Maintenance-free sliding layer E40
Material backBBronze backing
Thêm vào yêu cầu báo giá