PRODUCTS

  • Home
  • Giới thiệu sản phẩm

FAG
16034-MA-C3
Deep groove ball bearing 16034-MA-C3
Thêm vào yêu cầu báo giá
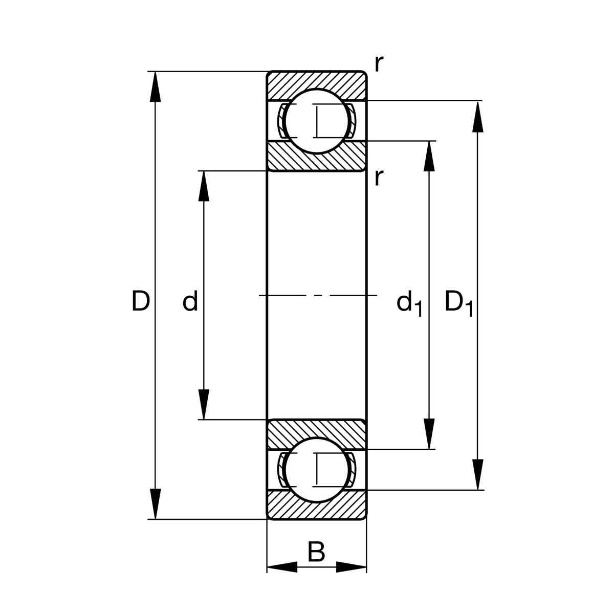
Main Dimensions & Performance Data
d
170 mm
Bore diameter
D
260 mm
Outside diameter
B
28 mm
Width
Cr
131,000 N
Basic dynamic load rating, radial
C0r
136,000 N
Basic static load rating, radial
Cur
5,600 N
Fatigue load limit, radial
nG
4,550 1/min
Limiting speed
nϑr
2,850 1/min
Reference speed
≈m
5.8 kg
Weight

Mounting dimensions
da min
177 mm
Minimum diameter shaft shoulder
Da max
253 mm
Maximum diameter of housing shoulder
ra max
1.5 mm
Maximum fillet radius

Dimensions
rmin
1.5 mm
Minimum chamfer dimension
D1
229.4 mm
Shoulder diameter outer ring
d1
202.28 mm
Shoulder diameter inner ring

Temperature range
Tmin
-30 °C
Operating temperature min.
Tmax
200 °C
Operating temperature max.

Calculation factors
f0
16.5
Calculation factor

Your current product variant
SealingWithoutNot sealed
CageMAsolid brass cage, outer ring guided
Tolerance classPNNormal (PN)
Dimensional / heat stabilization S1Rings dimensional stabilized up to 200°
LubricantWithoutBearing not greased
Bore typeZCylindrical
Radial internal clearanceC3 (Group 3)Internal clearance larger than CN
Thêm vào yêu cầu báo giá