PRODUCTS

  • Home
  • Giới thiệu sản phẩm

INA
VU140179-RR
Slewing Ring, Four Point contact bearing, without gear teeth VU140179-RR
Thêm vào yêu cầu báo giá
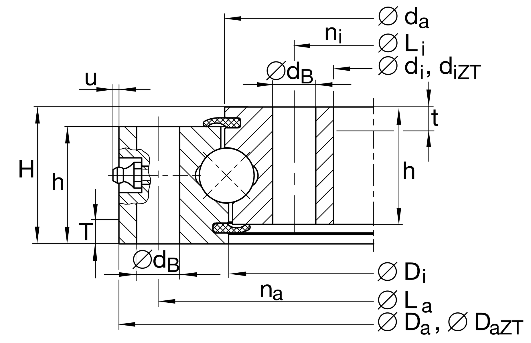
Main Dimensions & Performance Data
di
124.5 mm
Inner diameter inner ring
H
35 mm
Height
Da
234 mm
Outside Diameter
ha
30 mm
Width outer ring
hi
30 mm
Width inner ring
0.04 mm
Normal radial clearance min.
0.14 mm
Normal radial clearance max.
0.07 mm
Normal axial clearance min.
0.23 mm
Normal axial clearance max.
≈m
7 kg
Weight

Dimensions
Di
178 mm
Inner diameter outer ring
da
180 mm
Outside diameter inner ring
dB
11 mm
Fixing bore
La
214 mm
Pitchcircle diameter fixing holes outer ring
na
12
Number of fixing holes in outer ring
Li
144.5 mm
Pitchcircle diameter fixing holes inner ring
ni
12
Number of fixing holes in inner ring
Fr zul
33,600 N
Max. radial load fixing screws (friction locking)
umax
3 mm
Max. protrusion lubrication nipple

Temperature range
Tmin
-25 °C
Operating temperature min.
Tmax
80 °C
Operating temperature max.

Calculation factors
Ca
91,000 N
Basic dynamic load rating, axial
C0a
370,000 N
Basic static load rating, axial
Cr
82,000 N
Basic dynamic load rating, radial (for radial load only)
C0r
169,000 N
Basic static load rating, radial (for radial load only)

Your current product variant
CoatingRRProtected against corrosion by Corrotect special coating
Thêm vào yêu cầu báo giá