PRODUCTS

  • Home
  • Giới thiệu sản phẩm

INA
BK3020
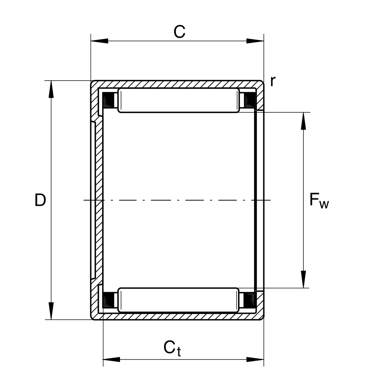
Drawn cup needle roller bearing closed end BK3020
Thêm vào yêu cầu báo giá
Main Dimensions & Performance Data
Fw
30 mm
Under roller diameter
D
37 mm
Outside diameter
C
20 mm
Width, outer ring
Cr
22,000 N
Basic dynamic load rating, radial
C0r
39,500 N
Basic static load rating, radial
Cur
5,100 N
Fatigue load limit, radial
nG Grease
5,200 1/min
Limiting speed for grease lubrication
nG
8,600 1/min
Limiting speed
nϑr
6,300 1/min
Reference speed
≈m
45.605 g
Weight

Dimensions
rmin
0.8 mm
Minimum chamfer dimension
Ct min
17.3 mm
Minimum width to base of drawn cup with closed end

Temperature range
Tmin
-30 °C
Operating temperature min.
Tmax
140 °C
Operating temperature max.

Additional information
SD30X37X4
Sealing ring
G30X37X4
Sealing ring 2
LR25X30X20,5
Suitable inner rings LR
IR25X30X20-XL
Suitable inner rings IR

Your current product variant
LubricantWithout
Lubrication holeWithout
CoatingWithout
SealingWithout
Thêm vào yêu cầu báo giá