PRODUCTS
- Home
- Giới thiệu sản phẩm
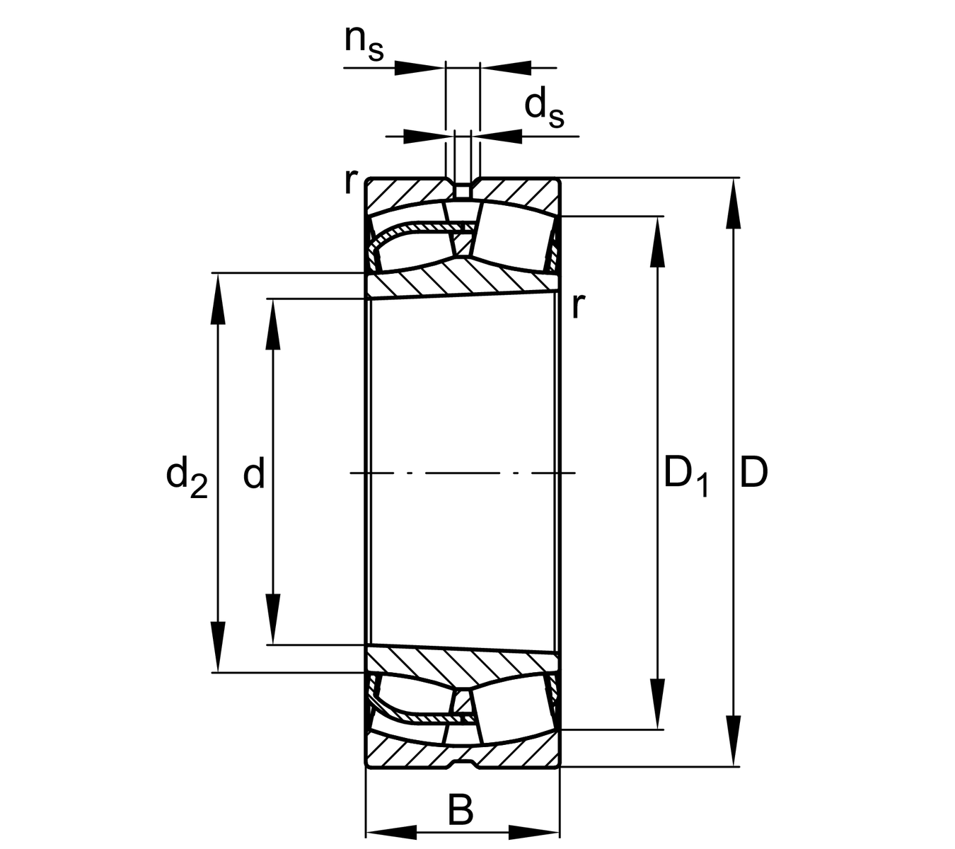
| d | 160 mm | Bore diameter |
| D | 340 mm | Outside diameter |
| B | 114 mm | Width |
| Cr | 1,680,000 N | Basic dynamic load rating, radial |
| C0r | 1,990,000 N | Basic static load rating, radial |
| Cur | 162,000 N | Fatigue load limit, radial |
| nG | 2,250 1/min | Limiting speed |
| nϑr | 1,420 1/min | Reference speed |
| ≈m | 48.7 kg | Weight |
| da min | 177 mm | Minimum diameter shaft shoulder |
| da max | 191 mm | Maximum diameter of shaft shoulder |
| Da max | 323 mm | Maximum diameter of housing shoulder |
| ra max | 3 mm | Maximum recess radius |
| db min | 174 mm | Minimum cavity diameter of the sleeve |
| Ba min | 8 mm | Minimum cavity width of the sleeve |
| rmin | 4 mm | Minimum chamfer dimension |
| D1 | 286.7 mm | Bore diameter outer ring |
| d2 | 201.2 mm | Raceway diameter of the inner ring |
| ds | 9.5 mm | Diameter lubrication hole |
| ns | 17.7 mm | Width of lubricating groove |
| Tmin | -30 °C | Operating temperature min. |
| Tmax | 200 °C | Operating temperature max. |
| e | 0.35 | Limiting value of Fa/Fr for the applicability of diff. Values of factors X and Y |
| Y1 | 1.94 | Dynamic axial load factor |
| Y2 | 2.88 | Dynamic axial load factor |
| Y0 | 1.89 | Static axial load factor |
H2332 | Adapter sleeve | |
AH2332G | Withdrawal sleeve |
| Design | BE | with lose center lip ring |
| Bore type | K | Tapered, taper 1:12 |
| Cage | JPB | Sheet metal cage |
| Radial internal clearance | C2 (Group 2) | Internal clearance smaller than CN |
| Relubrication feature | Standard |