PRODUCTS

  • Home
  • Giới thiệu sản phẩm

FAG
20224-MB
Barrel roller bearing 20224-MB
Thêm vào yêu cầu báo giá
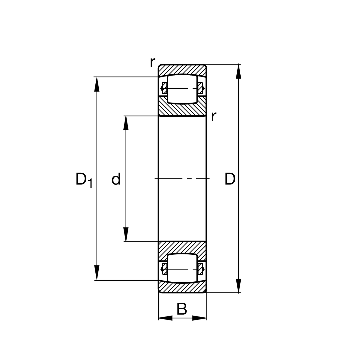
Main Dimensions & Performance Data
d
120 mm
Bore diameter
D
215 mm
Outside diameter
B
40 mm
Width
Cr
305,000 N
Basic dynamic load rating, radial
C0r
415,000 N
Basic static load rating, radial
Cur
38,500 N
Fatigue load limit, radial
nG
3,350 1/min
Limiting speed
≈m
6.678 kg
Weight

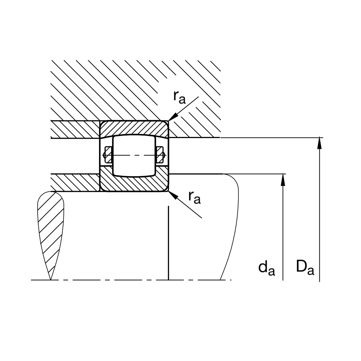
Mounting dimensions
da min
132 mm
Minimum diameter shaft shoulder
Da max
203 mm
Maximum diameter of housing shoulder
ra max
2.1 mm
Maximum recess radius

Dimensions
rmin
2.1 mm
Minimum chamfer dimension
D1
191.1 mm
Bore diameter outer ring

Temperature range
Tmin
-30 °C
Operating temperature min.
Tmax
200 °C
Operating temperature max.

Your current product variant
Bore typeZCylindrical
CageMBSolid brass cage
Radial internal clearanceCN (Group N)Normal internal clearance
Thêm vào yêu cầu báo giá