PRODUCTS

  • Home
  • Giới thiệu sản phẩm

INA
E30-KRR-B-2C-L402/70
Radial insert ball bearing E30-KRR-B-2C-L402/70
Thêm vào yêu cầu báo giá
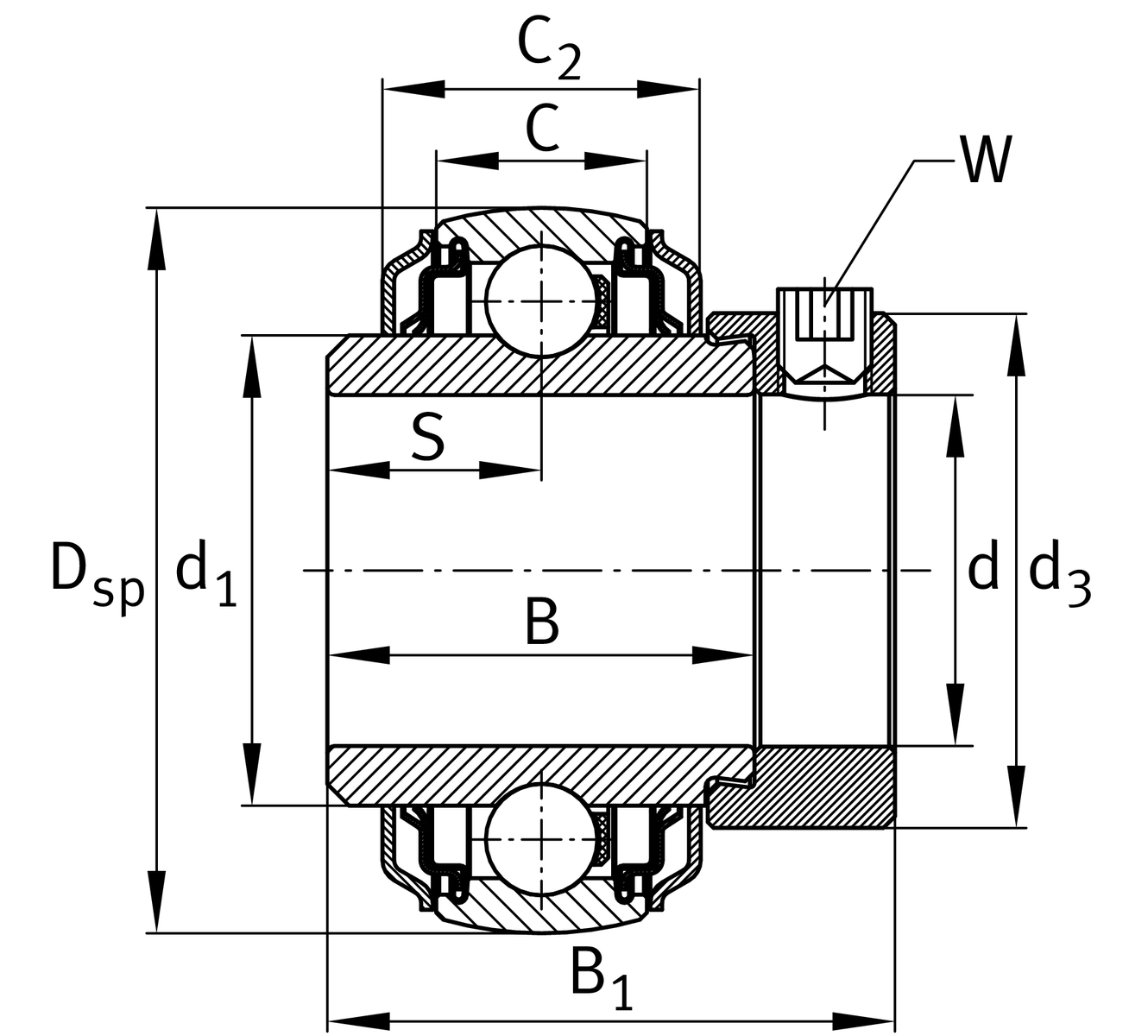
Main Dimensions & Performance Data
d
30 mm
Bore diameter
DSP
62 mm
Outside diameter
B
36.5 mm
Width
Cur
530 N
Fatigue load limit, radial
B1
48.5 mm
Locking collar total width
Cr
19,500 N
Basic dynamic load rating, radial
C0r
11,300 N
Basic static load rating, radial
≈m
0.41 kg
Weight

Dimensions
C
18 mm
Width, outer ring
C2
27.2 mm
Sealing total width
S
18.3 mm
Distance raceway
d1
40.2 mm
Rib diameter inner ring
d3
44 mm
Outside diameter locking collar/locknut
W
4 mm
Width of flats

Temperature range
Tmin
-20 °C
Operating temperature min.
Tmax
100 °C
Operating temperature max.

Calculation factors
f0
13.8
Calculation factor

Your current product variant
SealingKRRLip seals on both sides
Shape of outer surfaceB
Flinger shields2CFlinger shield on both sides
LubricantL402/70L402/70
Thêm vào yêu cầu báo giá