PRODUCTS

  • Home
  • Giới thiệu sản phẩm

FAG
2206-TVH-C3>N
Self-aligning ball bearing 2206-TVH-C3>N
Thêm vào yêu cầu báo giá
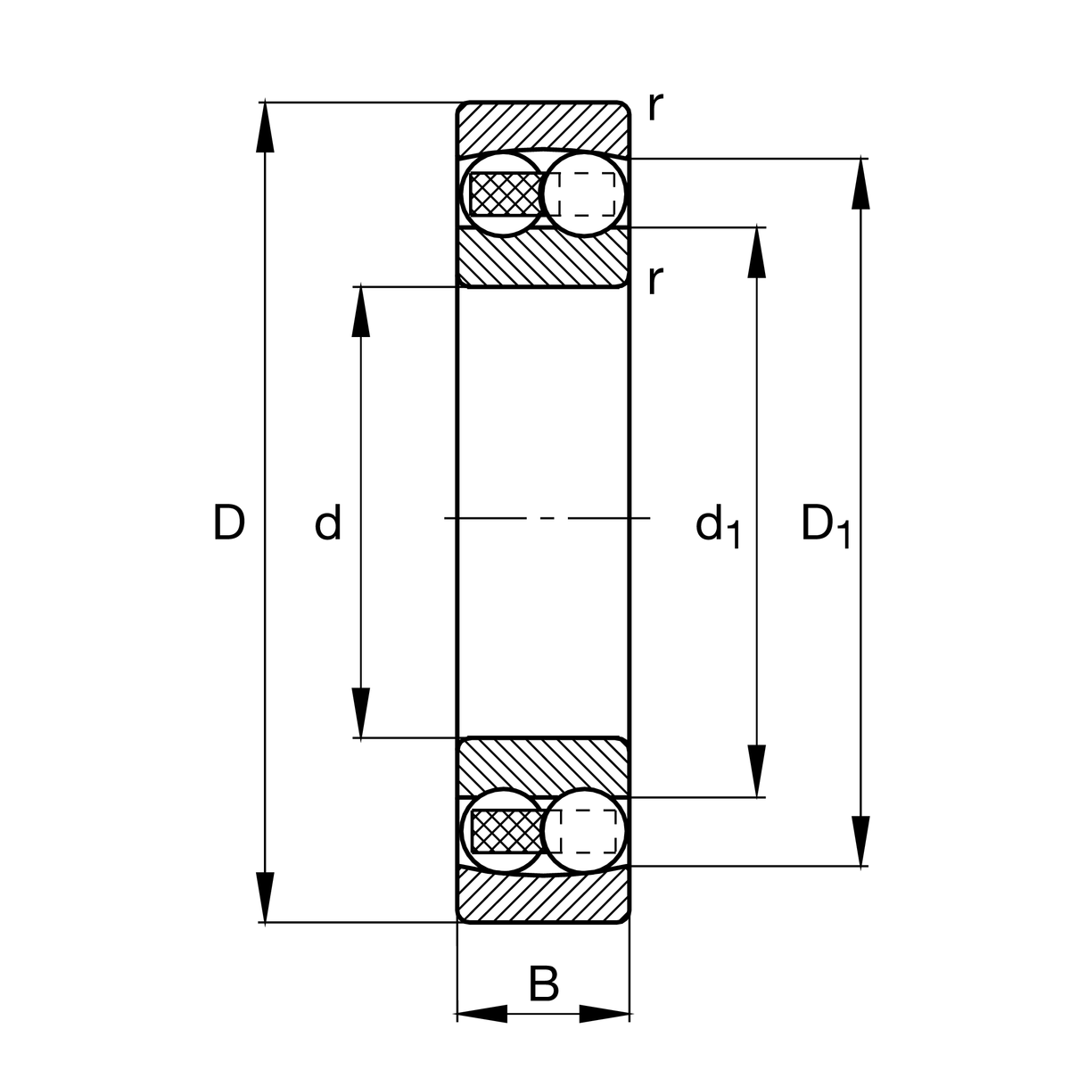
Main Dimensions & Performance Data
d
30 mm
Bore diameter
D
62 mm
Outside diameter
B
20 mm
Width
Cr
26,000 N
Basic dynamic load rating, radial
C0r
6,900 N
Basic static load rating, radial
Cur
440 N
Fatigue load limit, radial
nG
11,500 1/min
Limiting speed
nϑr
11,400 1/min
Reference speed
≈m
0.25 kg
Weight

Mounting dimensions
da min
35.6 mm
Minimum diameter shaft shoulder
Da max
56.4 mm
Maximum diameter of housing shoulder
ra max
1 mm
Maximum fillet radius

Dimensions
rmin
1 mm
Minimum chamfer dimension
D1
53.7 mm
Shoulder diameter outer ring
d1
38.5 mm
Shoulder diameter inner ring

Temperature range
Tmin
-30 °C
Operating temperature min.
Tmax
120 °C
Operating temperature max.

Calculation factors
e
0.31
Limiting value of Fa/Fr for the applicability of diff. Values of factors X and Y
Y1
2.01
Dynamic axial load factor
Y2
3.11
Dynamic axial load factor
Y0
2.11
Static axial load factor

Your current product variant
Version code>NNot marked on bearing
Bore typeZCylindrical
SealingWithoutNot sealed
CageTVHsolid cage made of glass-fiber reinforced polyamid PA66
Tolerance classPNNormal (PN)
LubricantWithoutBearing not greased
Radial internal clearanceC3 (Group 3)Internal clearance larger than CN
Thêm vào yêu cầu báo giá