PRODUCTS

  • Home
  • Giới thiệu sản phẩm

FAG
1306-K-TVH-C3
Self-aligning ball bearing 1306-K-TVH-C3
Thêm vào yêu cầu báo giá
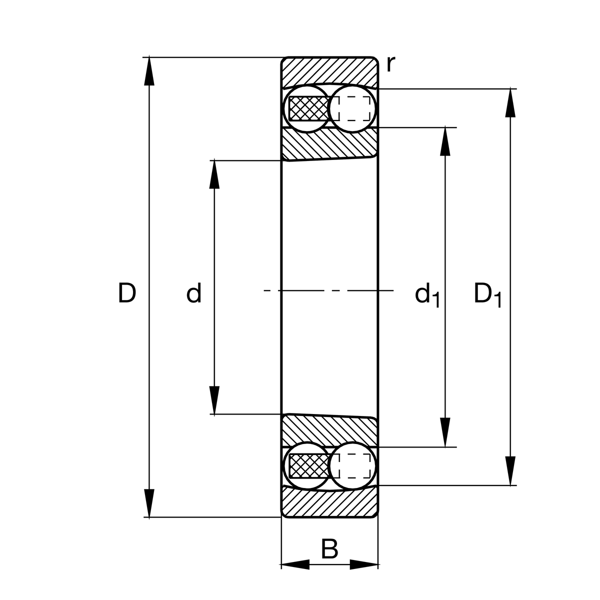
Main Dimensions & Performance Data
d
30 mm
Bore diameter
D
72 mm
Outside diameter
B
19 mm
Width
Cr
21,700 N
Basic dynamic load rating, radial
C0r
6,300 N
Basic static load rating, radial
Cur
400 N
Fatigue load limit, radial
nG
11,100 1/min
Limiting speed
nϑr
8,700 1/min
Reference speed
≈m
0.379 kg
Weight

Mounting dimensions
da min
37 mm
Minimum diameter shaft shoulder
da max
42 mm
Maximum diameter shaft shoulder
Da max
65 mm
Maximum diameter of housing shoulder
db min
33 mm
Minimum cavity diameter of the sleeve
Ba min
6 mm
Minimum cavity width of the sleeve
ra max
1 mm
Maximum fillet radius

Dimensions
rmin
1.1 mm
Minimum chamfer dimension
D1
58.93 mm
Shoulder diameter outer ring
d1
45.1 mm
Shoulder diameter inner ring

Temperature range
Tmin
-30 °C
Operating temperature min.
Tmax
120 °C
Operating temperature max.

Calculation factors
e
0.26
Limiting value of Fa/Fr for the applicability of diff. Values of factors X and Y
Y1
2.41
Dynamic axial load factor
Y2
3.72
Dynamic axial load factor
Y0
2.52
Static axial load factor

Additional information
H306
Adapter sleeve

Your current product variant
Bore typeKTapered, taper 1:12
SealingWithoutNot sealed
CageTVHsolid cage made of glass-fiber reinforced polyamid PA66
Tolerance classPNNormal (PN)
LubricantWithoutBearing not greased
Radial internal clearanceC3 (Group 3)Internal clearance larger than CN
Thêm vào yêu cầu báo giá