PRODUCTS
- Home
- Giới thiệu sản phẩm
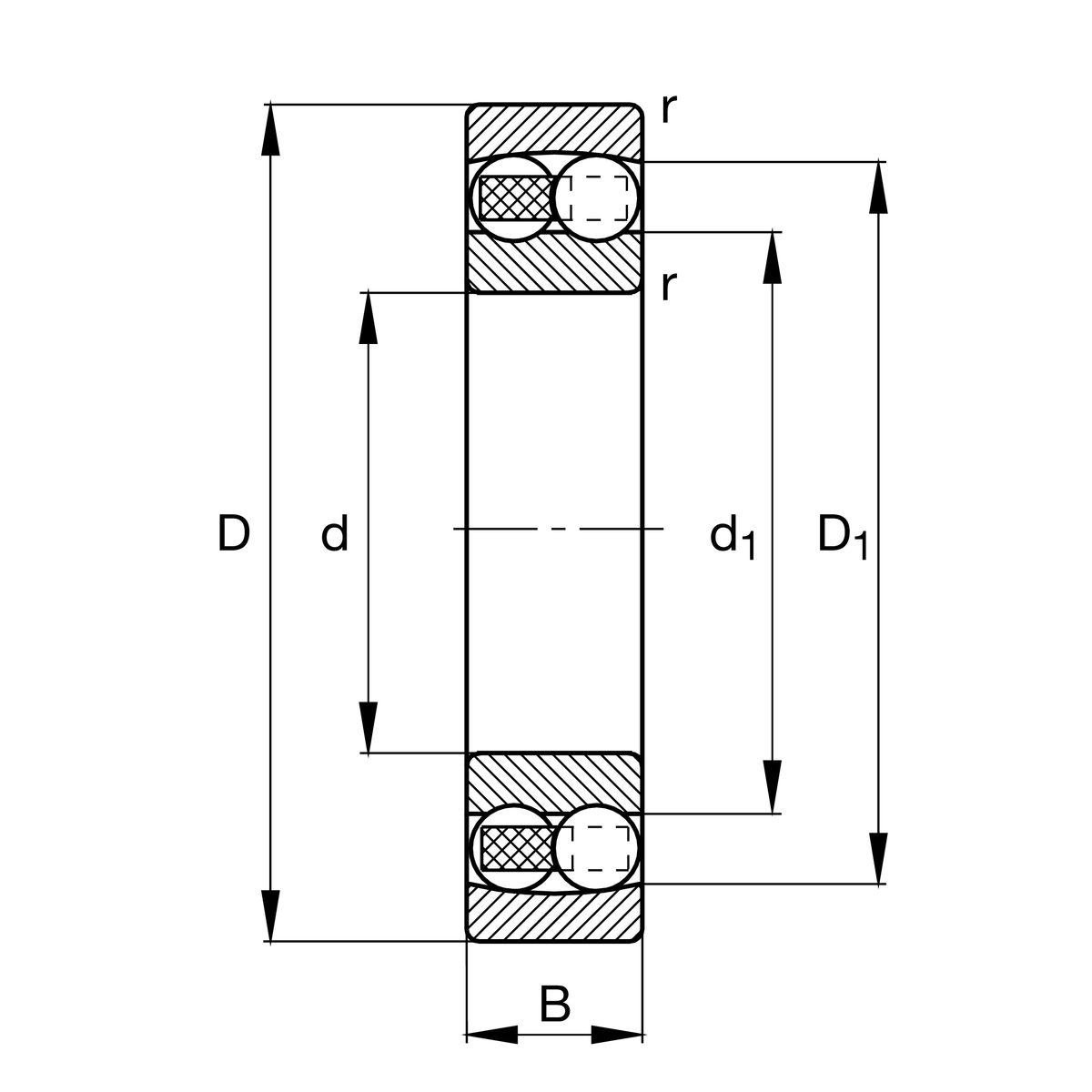
| d | 30 mm | Bore diameter |
| D | 62 mm | Outside diameter |
| B | 16 mm | Width |
| Cr | 15,900 N | Basic dynamic load rating, radial |
| C0r | 4,650 N | Basic static load rating, radial |
| Cur | 295 N | Fatigue load limit, radial |
| nG | 13,100 1/min | Limiting speed |
| nϑr | 11,400 1/min | Reference speed |
| ≈m | 0.213 kg | Weight |
| da min | 35.6 mm | Minimum diameter shaft shoulder |
| Da max | 56.4 mm | Maximum diameter of housing shoulder |
| ra max | 1 mm | Maximum fillet radius |
| rmin | 1 mm | Minimum chamfer dimension |
| D1 | 51.61 mm | Shoulder diameter outer ring |
| d1 | 40.1 mm | Shoulder diameter inner ring |
| Tmin | -30 °C | Operating temperature min. |
| Tmax | 120 °C | Operating temperature max. |
| e | 0.25 | Limiting value of Fa/Fr for the applicability of diff. Values of factors X and Y |
| Y1 | 2.54 | Dynamic axial load factor |
| Y2 | 3.93 | Dynamic axial load factor |
| Y0 | 2.66 | Static axial load factor |
| Bore type | Z | Cylindrical |
| Sealing | Without | Not sealed |
| Cage | TVH | solid cage made of glass-fiber reinforced polyamid PA66 |
| Tolerance class | PN | Normal (PN) |
| Lubricant | Without | Bearing not greased |
| Radial internal clearance | CN (Group N) | Normal internal clearance |