PRODUCTS

  • Home
  • Giới thiệu sản phẩm

Schaeffler
HYDNUT850-HEAVY
Hydraulic nut HYDNUT850-HEAVY
Thêm vào yêu cầu báo giá
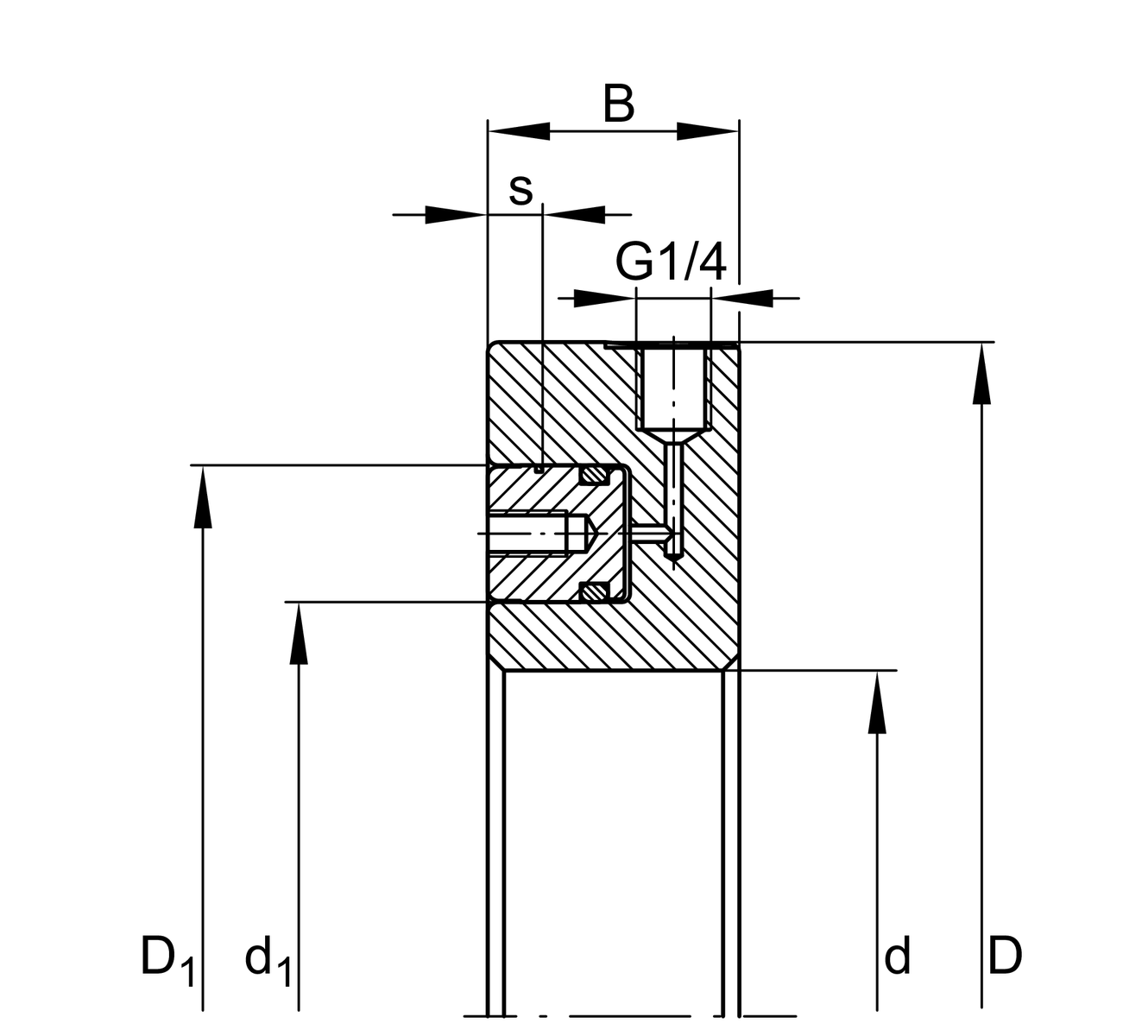
Technical data
d
850 mm
Inner diameter (tolerance: H7)
D
1,275 mm
Outer Diameter
B
95 mm
Width
D1
1,135 mm
d1
905 mm
s
38 mm
Stroke, max.
3,685 cm²
Piston surface
300 bar
Pressure, max.
11,060 kN
Drive-up force, max.
≈m
520.3 kg
Weight

Additional information
1 pc. Hydraulic nut, 1 pc. Screw plug, 1 pc. Connection nipple, 1 pc. Replacement seal set, 1 pc. User manual
Scope of delivery

Your current product variant
SeriesHEAVYreinforced version without thread
Thêm vào yêu cầu báo giá