PRODUCTS

  • Home
  • Giới thiệu sản phẩm

Schaeffler
HYDNUT700-HEAVY
Hydraulic nut HYDNUT700-HEAVY
Thêm vào yêu cầu báo giá
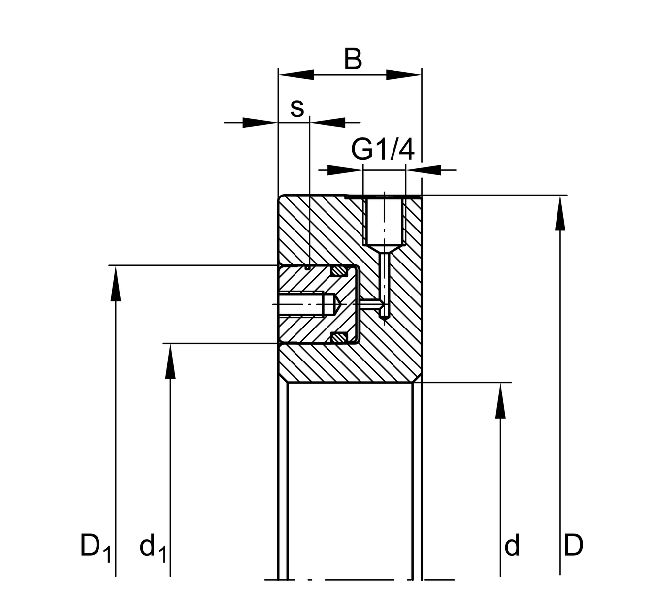
Technical data
d
700 mm
Inner diameter (tolerance: H7)
D
1,060 mm
Outer Diameter
B
86 mm
Width
D1
940 mm
d1
750 mm
s
30 mm
Stroke, max.
2,522 cm²
Piston surface
300 bar
Pressure, max.
7,570 kN
Drive-up force, max.
≈m
330.5 kg
Weight

Additional information
1 pc. Hydraulic nut, 1 pc. Screw plug, 1 pc. Connection nipple, 1 pc. Replacement seal set, 1 pc. User manual
Scope of delivery

Your current product variant
SeriesHEAVYreinforced version without thread
Thêm vào yêu cầu báo giá