PRODUCTS

  • Home
  • Giới thiệu sản phẩm

Schaeffler
HYDNUT70-E-INCH
Hydraulic nut HYDNUT70-E-INCH
Thêm vào yêu cầu báo giá
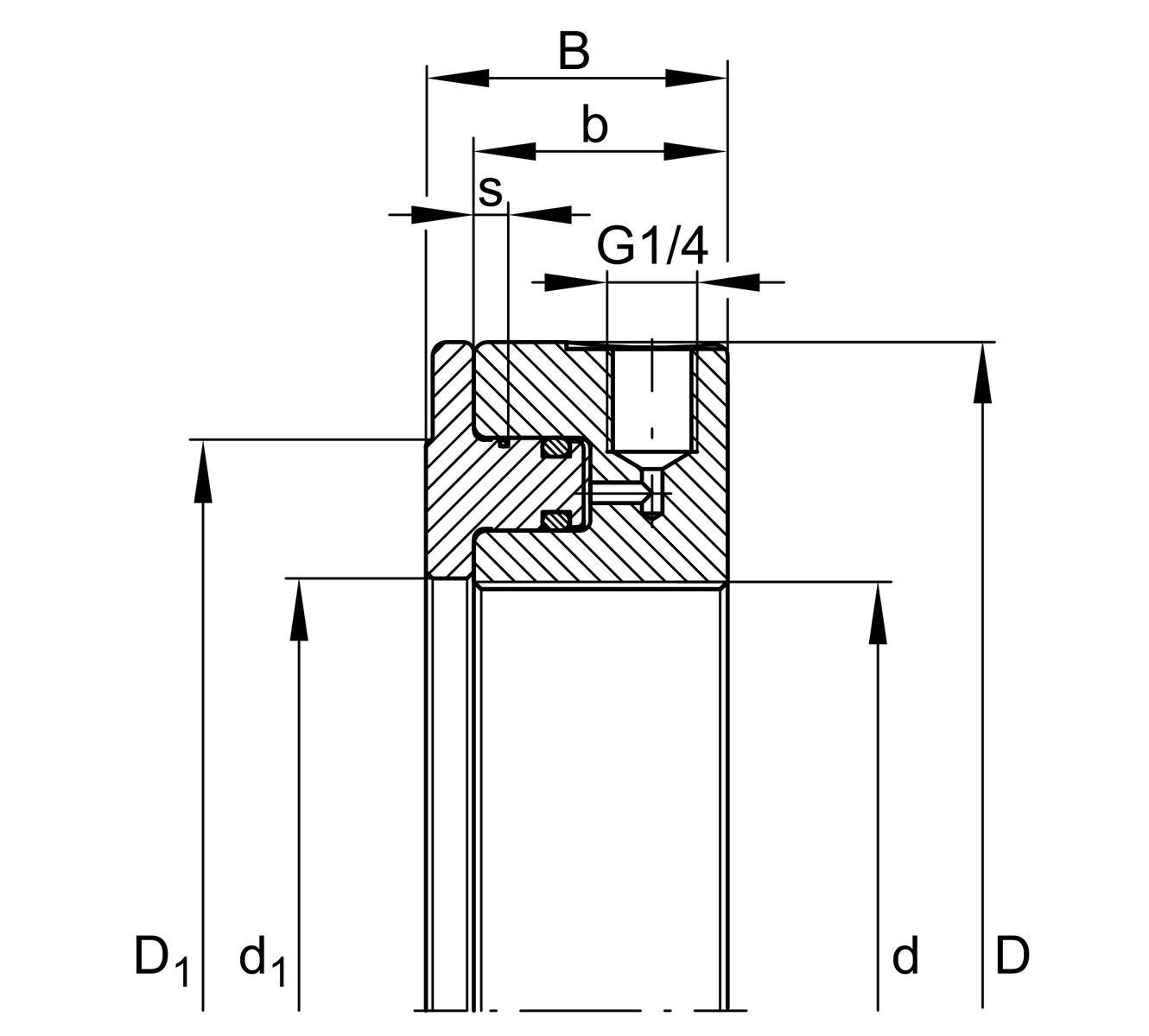
Technical data
d
69.873 mm
Thread nominal diameter
68.958 mm
Thread flank diameter
UN
Thread type
18
Number of thread convolutions per inch
D
140 mm
Outer Diameter
B
40 mm
Width
b
36 mm
Width press ring
D1
110 mm
d1
71 mm
s
4 mm
Stroke, max.
40.9 cm²
Piston surface
700 bar
Pressure, max.
286 kN
Drive-up force, max.
≈m
3.69 kg
Weight

Additional information
1 pc. Hydraulic nut, 3 pcs. Clamping screws, 1 pc. Screw plug, 1 pc. Connection nipple, 3 pcs. to 5 pcs. Threaded pins, 1 pc. Hand lever, 1 pc. Replacement seal set, 1 pc. User manual
Scope of delivery

Your current product variant
SeriesE-INCHinch thread by UN/ACME standard
Thêm vào yêu cầu báo giá