PRODUCTS

  • Home
  • Giới thiệu sản phẩm

FAG
UCF206-17
Flanged housing unit UCF206-17
Thêm vào yêu cầu báo giá
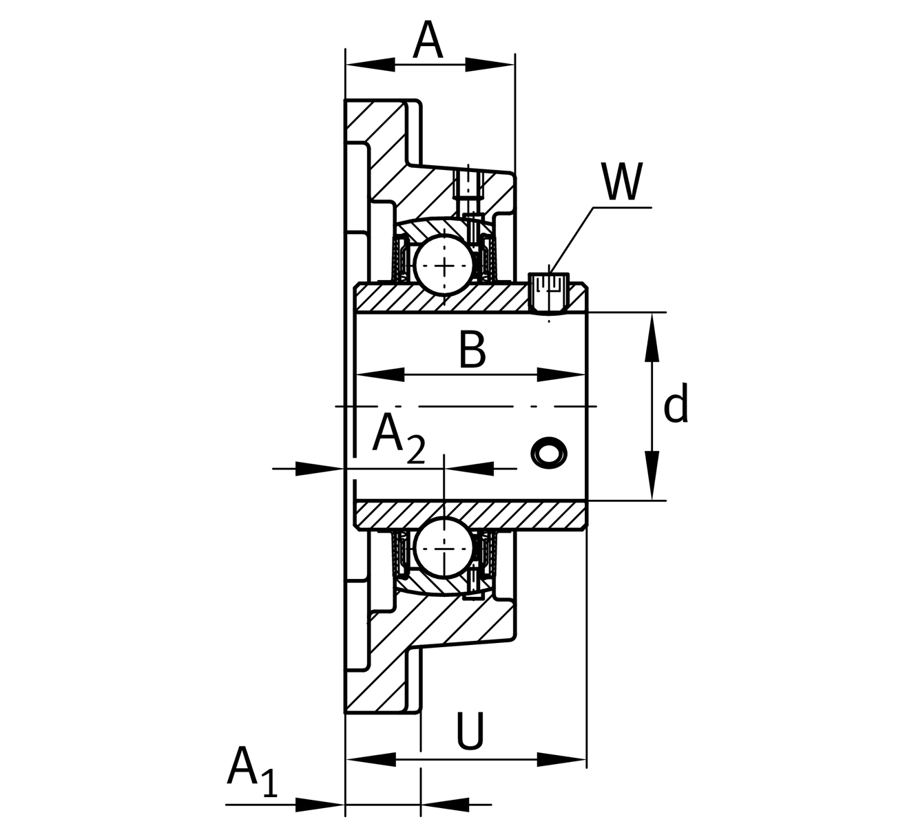
Main Dimensions & Performance Data
d
26.988 mm
Bore diameter
L
108 mm
Flange width
U
40.2 mm
Total height unit
Cr
19,500 N
Basic dynamic load rating, radial
C0r
11,300 N
Basic static load rating, radial
Cur
480 N
Fatigue load limit, radial
≈m
1.15 kg
Weight

Mounting dimensions
J
83 mm
Distance fixing bore
N
12 mm
Fixing bore
N1
83 mm
Distance fixing bore
n
4
Number of screwing holes

Dimensions
A
31 mm
Height housing
A1
14 mm
Thickness of flange
A2
18 mm
Distance raceway
B
38.1 mm
Width
Q
M6
Connection thread for lubrication

Additional information
1
Number of housings
F206
Housing
UC206-17
Bearing designation

Temperature range
Tmin
-20 °C
Operating temperature min.
Tmax
120 °C
Operating temperature max.

Your current product variant
MaterialGGGrey cast iron
Thêm vào yêu cầu báo giá