PRODUCTS

  • Home
  • Giới thiệu sản phẩm

Schaeffler
HYDNUT625-E
Hydraulic nut HYDNUT625-E
Thêm vào yêu cầu báo giá
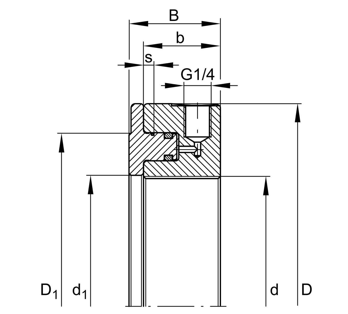
Technical data
d
Tr625x6
Thread
D
775 mm
Outer Diameter
B
89 mm
Width
b
75 mm
Width press ring
D1
720 mm
d1
628 mm
s
24 mm
Stroke, max.
701.9 cm²
Piston surface
400 bar
Pressure, max.
2,808 kN
Drive-up force, max.
≈m
116.2 kg
Weight

Additional information
1 pc. Hydraulic nut, 3 pcs. Clamping screws, 1 pc. Screw plug, 1 pc. Connection nipple, 3 pcs. to 5 pcs. Threaded pins, 1 pc. Hand lever, 1 pc. Replacement seal set, 1 pc. User manual
Scope of delivery

Your current product variant
SeriesEmetric fine pitch thread/trapezoid thread
Thêm vào yêu cầu báo giá