PRODUCTS

  • Home
  • Giới thiệu sản phẩm

Schaeffler
HYDNUT600-HEAVY
Hydraulic nut HYDNUT600-HEAVY
Thêm vào yêu cầu báo giá
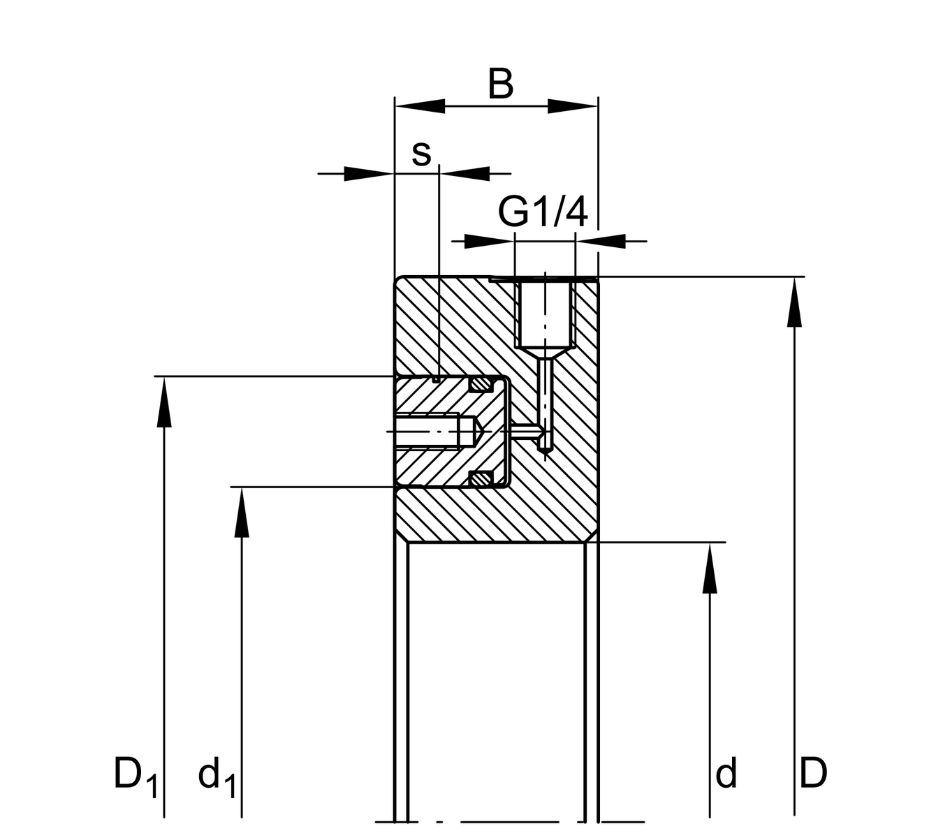
Technical data
d
600 mm
Inner diameter (tolerance: H7)
D
910 mm
Outer Diameter
B
76 mm
Width
D1
808 mm
d1
645 mm
s
25 mm
Stroke, max.
1,860 cm²
Piston surface
400 bar
Pressure, max.
7,440 kN
Drive-up force, max.
≈m
215.8 kg
Weight

Additional information
1 pc. Hydraulic nut, 1 pc. Screw plug, 1 pc. Connection nipple, 1 pc. Replacement seal set, 1 pc. User manual
Scope of delivery

Your current product variant
SeriesHEAVYreinforced version without thread
Thêm vào yêu cầu báo giá